Curiosii for ever!
: Car repair manuals for everyone.
Home
>>
Kia
>>
2005
>>
Rio L4-1.6L (BC)
>>
Repair and Diagnosis
>>
Heating and Air Conditioning
>>
Diagrams
>>
Exploded Views
Exploded Views
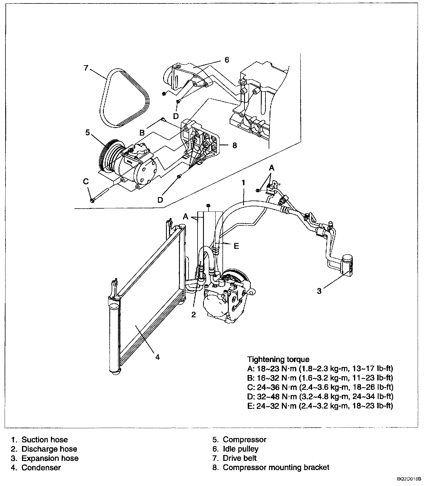
Air Conditioning System - Components:
Air Conditioning System - Components: