Curiosii for ever!
: Car repair manuals for everyone.
Home
>>
Kia
>>
2005
>>
Rio L4-1.6L (BC)
>>
Repair and Diagnosis
>>
Diagrams
>>
Exploded Views
>>
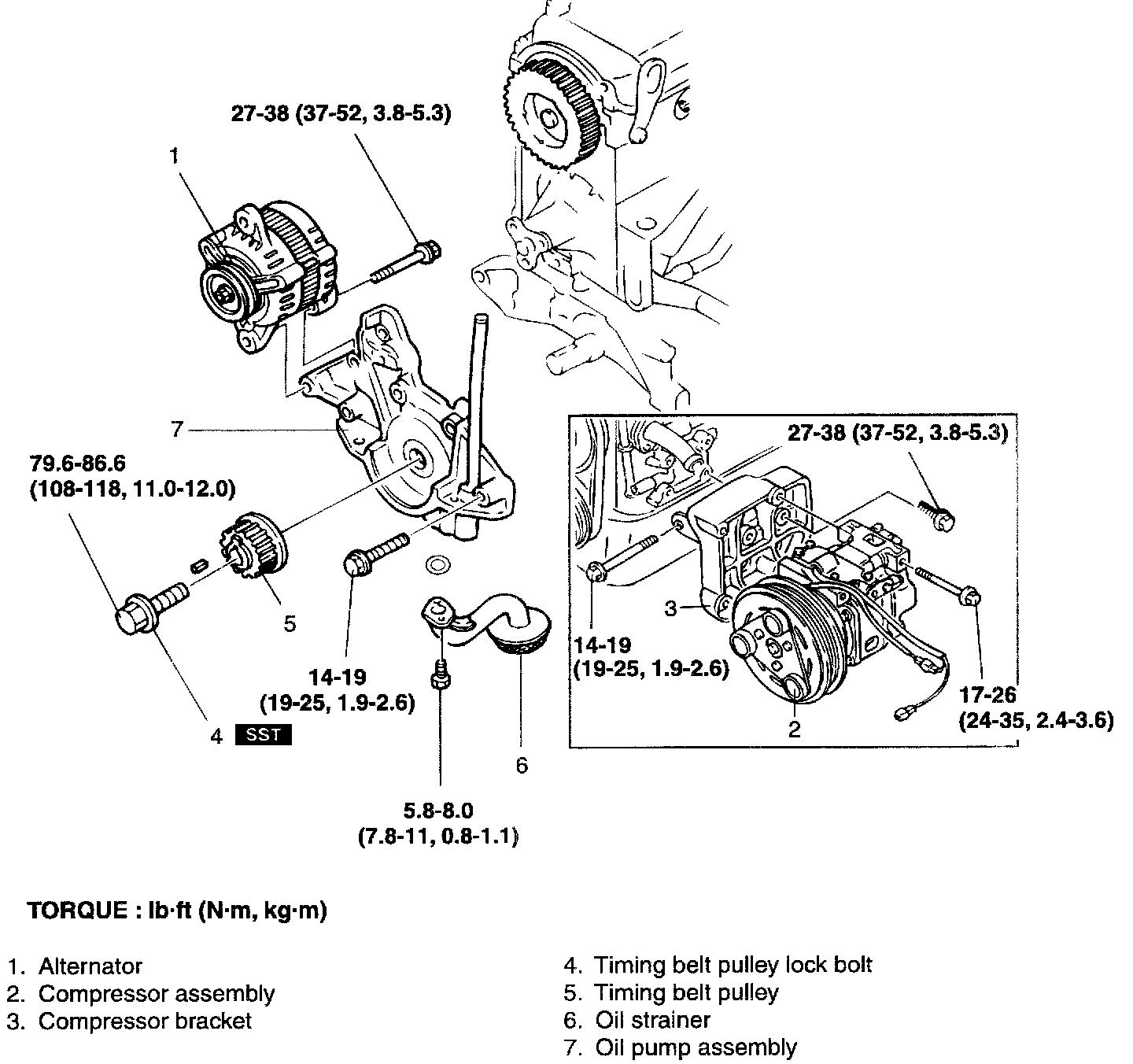
Oil Pump, Engine
Oil Pump, Engine
Part 1:
Part 2:
OIL PUMP