Curiosii for ever!
: Car repair manuals for everyone.
Home
>>
Kia
>>
2005
>>
Optima V6-2.7L
>>
Repair and Diagnosis
>>
Wiper and Washer Systems
>>
Diagrams
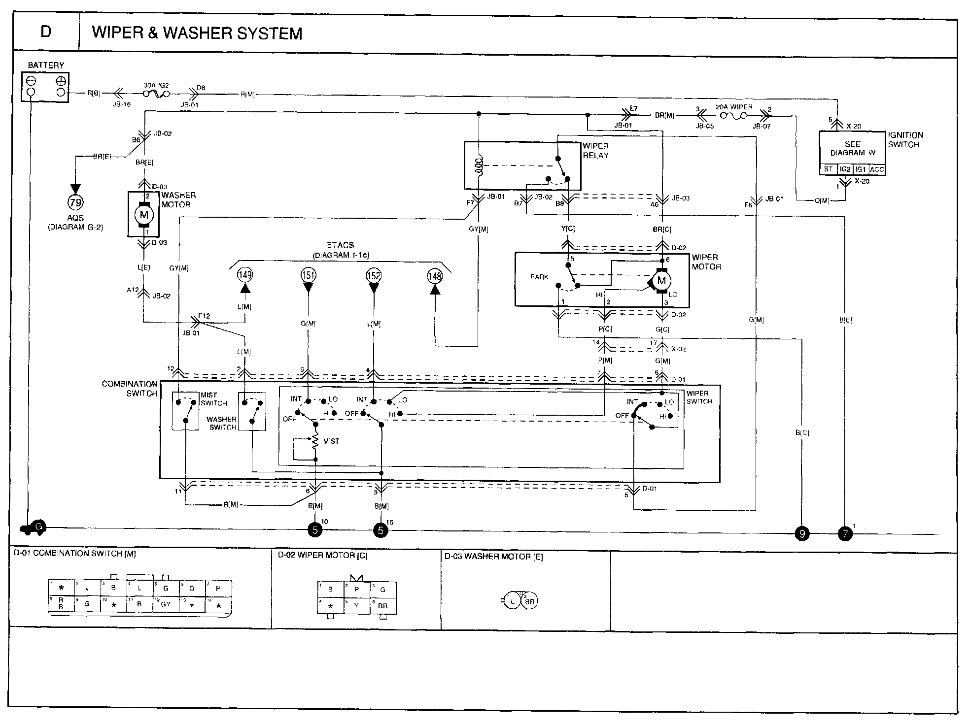
Wiper and Washer Systems: Diagrams
Diagram D:
Routing View D:
Diagrams
: Other diagrams referred to by name within these diagrams can be found at
Diagrams by Diagram Name
.
Diagrams By Diagram Name