Curiosii for ever!: Car repair manuals for everyone.

Shift Lever Assembly

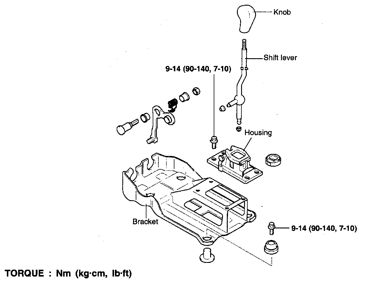
SHIFT LEVER ASSEMBLY





COMPONENTS

INSPECTION
1. Inspect the bushing for wear or damage.
2. Inspect the return spring for damage or deterioration.

REASSEMBLY
1. Apply multi-purpose grease to the sliding part of the bushings.
2. Reassembly is reverse of the disassembly.