Curiosii for ever!
: Car repair manuals for everyone.
Home
>>
Kia
>>
2005
>>
Optima V6-2.7L
>>
Repair and Diagnosis
>>
Body and Frame
>>
Mirrors
>>
Diagrams
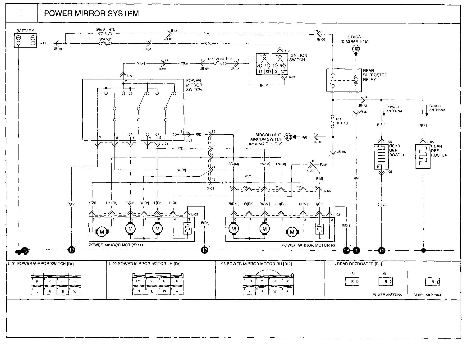
Mirrors: Diagrams
Diagram L:
Routing View L:
Diagrams
: Other diagrams referred to by name within these diagrams can be found at
Diagrams by Diagram Name
.
Diagrams By Diagram Name