Curiosii for ever!
: Car repair manuals for everyone.
Home
>>
Kia
>>
2005
>>
Optima L4-2.4L
>>
Repair and Diagnosis
>>
Powertrain Management
>>
Emission Control Systems
>>
Positive Crankcase Ventilation
>>
Description and Operation
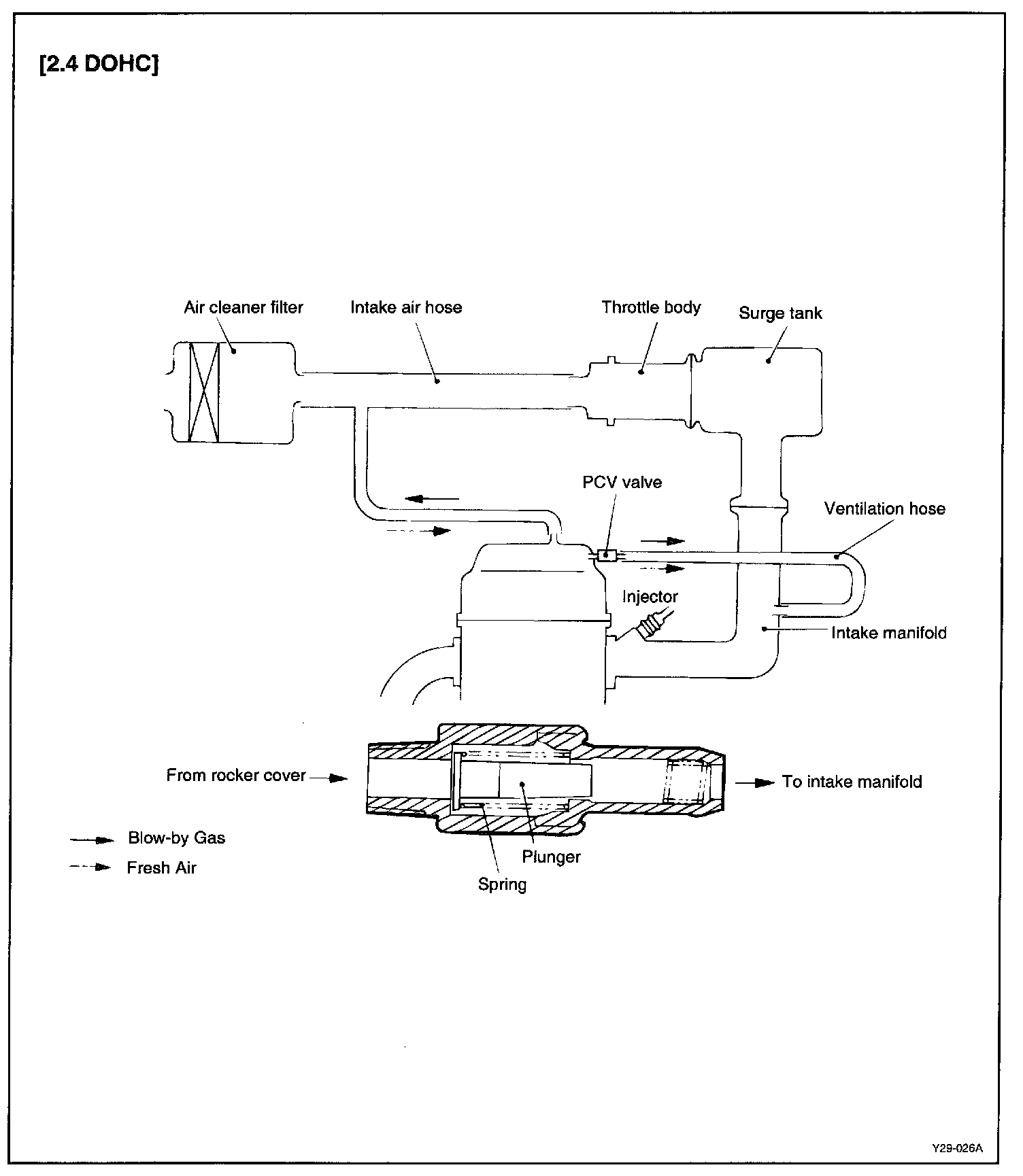
Positive Crankcase Ventilation: Description and Operation
Positive Crankcase Ventilation (PCV) Valve:
PCV Valve Operation: