Curiosii for ever!
: Car repair manuals for everyone.
Home
>>
Kia
>>
2005
>>
Optima L4-2.4L
>>
Repair and Diagnosis
>>
Powertrain Management
>>
Diagrams
>>
Electrical Diagrams
>>
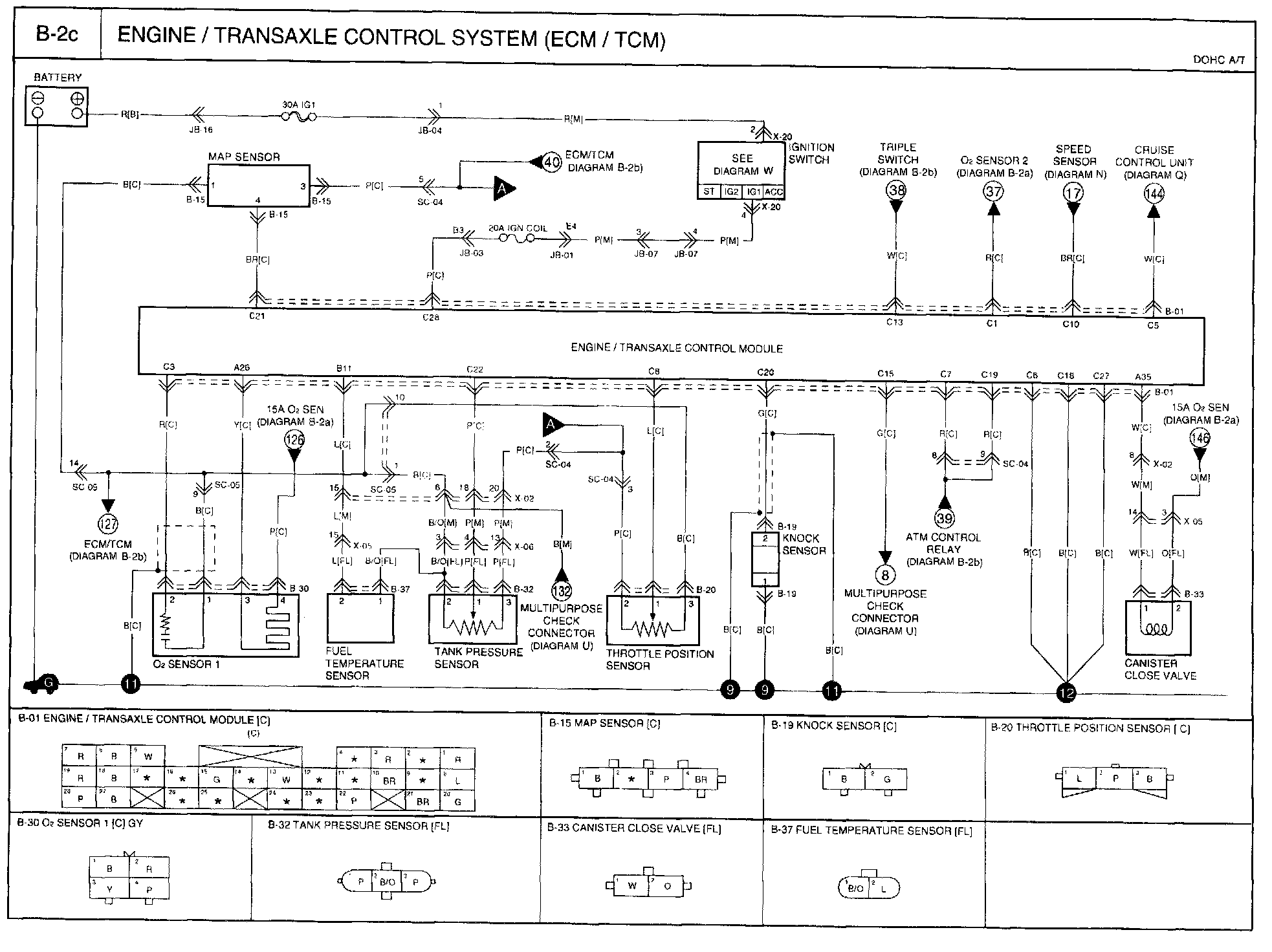
Engine/Transaxle Control System (ECM/TCM)
>>
Diagram B-2c
Diagram B-2c
Diagram B-2c:
Routing View B-2c:
Next Diagram
Diagram B-2d
Previous Diagram
Diagram B-2b
Diagrams
: Other diagrams referred to by name within these diagrams can be found at
Diagrams by Diagram Name
.
Diagrams By Diagram Name