Curiosii for ever!: Car repair manuals for everyone.

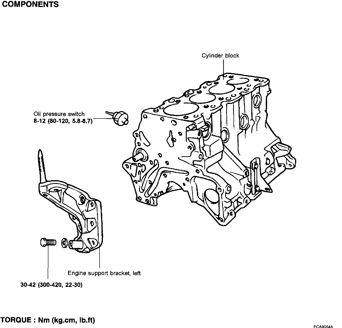
Cylinder Block






REMOVAL
Remove the cylinder head, timing belt train, front case, flywheel, piston and crankshaft.

INSPECTION
Cylinder Block
1. Visually check the cylinder block for scores, rust and corrosion. Also check for cracks or any other defects. Correct or replace the block if defective.





2. Measure cylinder bore with a cylinder gauge at three levels in directions of A and B.
Level 1: No.1 piston ring position with piston at TDC
Level 2: Center of cylinder
Level 3: Bottom of cylinder
3. If cylinder bores show more the specified out-of-round or taper, or if the cylinder walls are badly scuffed or scored, the cylinder block should be re-bored and honed and fitted with oversize pistons and rings.
Standard value
Cylinder bore 85.00 - 85.03 mm (3.3465 - 3.3476 inch)
Out-of-roundness and taper of cylinder bore Max. 0.01 mm (0.0004 inch)
4. If cylinder top ridge is worn in stages, cut away with ridge reamer.
5. Oversize pistons are available in four sizes.
Piston service size and mark
0.25 mm (0.010 inch) O.S: 0.25
6. To rebore the cylinder to oversize, keep the specified clearance between the oversize piston and the bore, and make sure that all pistons used are of the same oversize. The standard measurement of the piston outside diameter is taken at a level 2 mm (0.08 inch) above the bottom of the piston skirt and across the thrust faces.
Piston-to-cylinder wall clearance 0.02 - 0.04 mm (0.0008 - 0.0012 inch)
7. Check for damage and cracks.





8. Check top surface for flatness. If excessive flatness is evident, grind to minimum limit or replace.
Standard value
Flatness of gasket surface Max. 0.05 mm (0.0020 inch)
Cylinder block (New) height 284 mm (11.18 inch)
Service limit
Flatness of gasket surface 0.1 mm (0.0039 inch)
Overall height -0.2 mm (-0.0079 inch)

NOTE: The cylinder block gasket surface should be ground within -0.2 mm (-0.0079 inch) including the ground surface of cylinder head gasket surface.

Boring Cylinder
1. Oversize pistons to be used should be determined on the base of the largest bore cylinder.

Size: Identification mark
0.25 mm (0.010 inch) O.S: 0.25
0.50 mm (0.020 inch) O.S: 0.50
0.75 mm (0.030 inch) O.S: 0.75
1.00 mm (0.039 inch) O.S: 1.00

NOTE: Size mark is stamped on top of piston.

2. Measure outside diameter of piston to be used.





3. On the base of measured piston O.D., calculate boring finish dimension.
Boring finish dimension = Piston O.D + 0.02 - 0.04 mm (0.0008 - 0.0016 inch) (clearance between O.D and cylinder) - 0.02 mm (0.008 inch) (honing margin)
4. Bore each of the cylinders to the calculated size.

NOTE: To prevent distortion that may result from temperature rise during honing, bore cylinders, working from No.2 to No.4 to No.1 to No.3.

5. Hone the cylinders, finishing them to the proper dimension (piston outside diameter + gap with cylinder).
6. Check clearance between piston and cylinder.

NOTE: When boring cylinders, finish all of four cylinders to the same oversize. Do not bore only one cylinder to an oversize.

REASSEMBLY
1. Install the following parts by referring to the respective procedures.
1) Crankshaft
2) Flywheel
3) Piston
4) Cylinder head, refer to Cylinder Head Assembly; Service and Repair.
5) Timing belt train, refer to Timing Components; Timing Belt; Service and Repair.
6) Front case, refer to Engine Lubrication; Oil Pump, Engine; Service and Repair.