Curiosii for ever!
: Car repair manuals for everyone.
Home
>>
Kia
>>
2003
>>
Optima L4-2.4L
>>
Repair and Diagnosis
>>
Lighting and Horns
>>
Brake Light Switch
>>
Locations
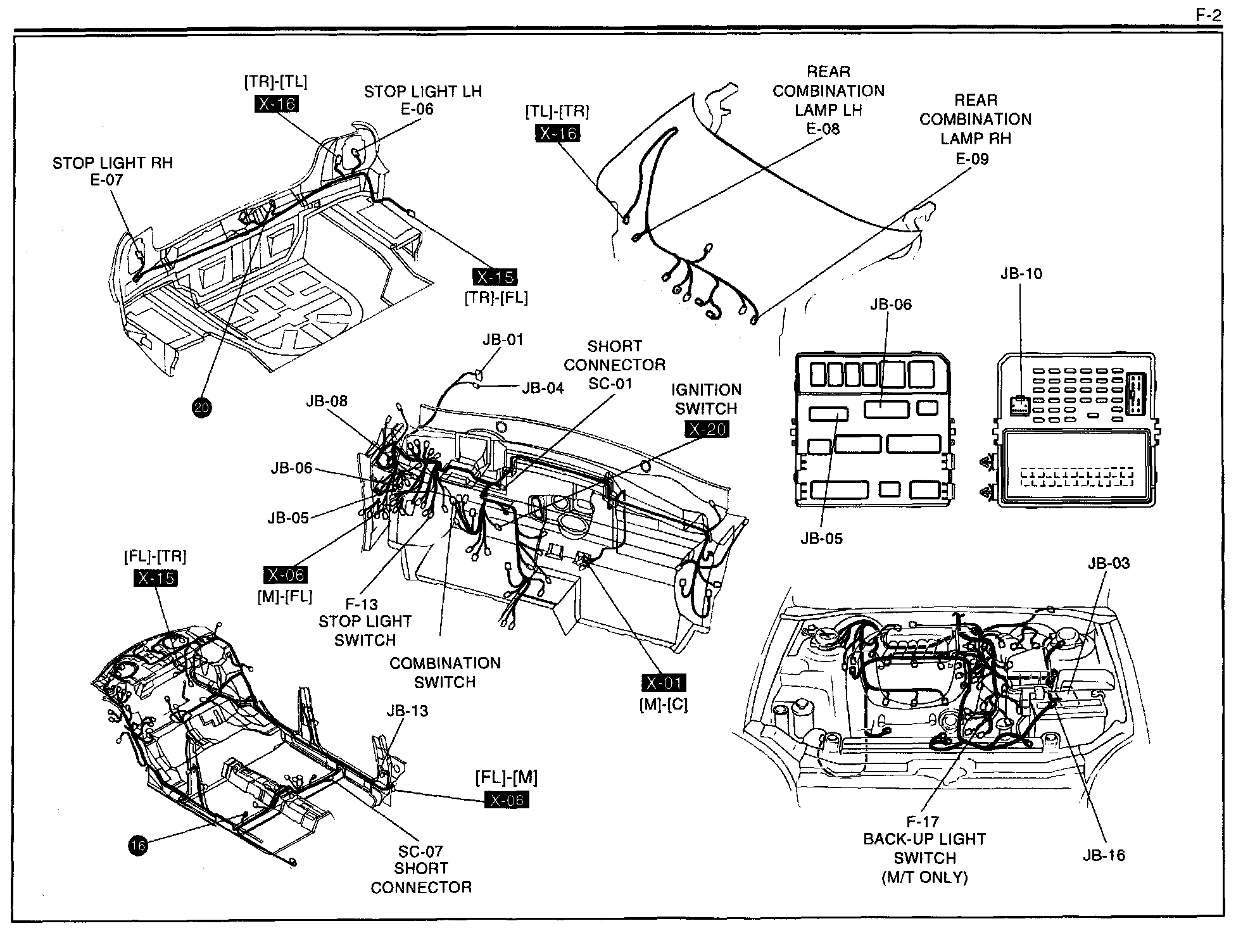
Brake Light Switch: Locations
Routing View F-2: