Curiosii for ever!
: Car repair manuals for everyone.
Home
>>
Kia
>>
1998
>>
Sephia RS Sedan L4-1.8L
>>
Repair and Diagnosis
>>
Diagrams
>>
Exploded Views
>>
Timing Components
>>
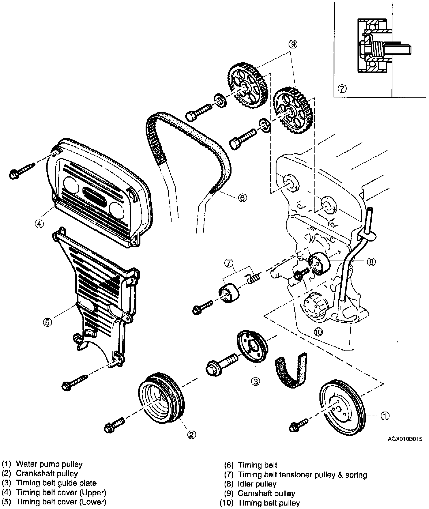
Timing Belt
Timing Belt