Curiosii for ever!: Car repair manuals for everyone.

System Relay: Testing and Inspection

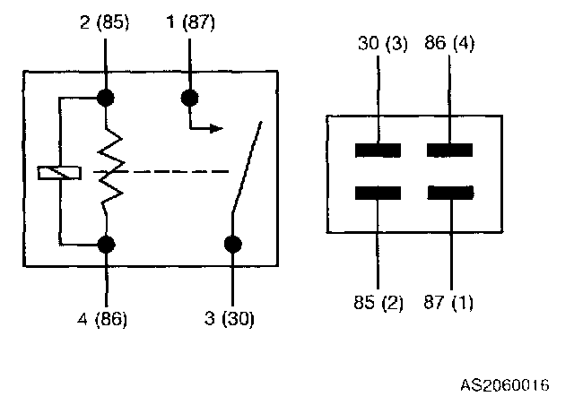
1. Disconnect A/C relay connector.




2. Check continuity between terminals.
3. If not as specified, replace relay.




4. If correct, go to next step.
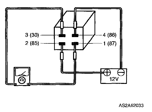
5. Apply 12V to terminal 85 and ground terminal 86.




6. Check for continuity between terminals 87 and 30.




7. If not as specified, replace relay.