Curiosii for ever!
: Car repair manuals for everyone.
Home
>>
Kia
>>
1998
>>
Sephia LS Sedan L4-1.8L
>>
Repair and Diagnosis
>>
Diagrams
>>
Exploded Views
>>
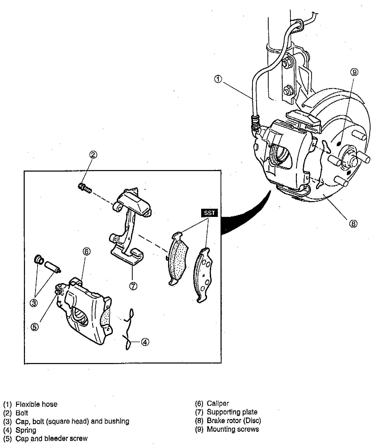
Disc Brake System
>>
Front
Front