Curiosii for ever!: Car repair manuals for everyone.

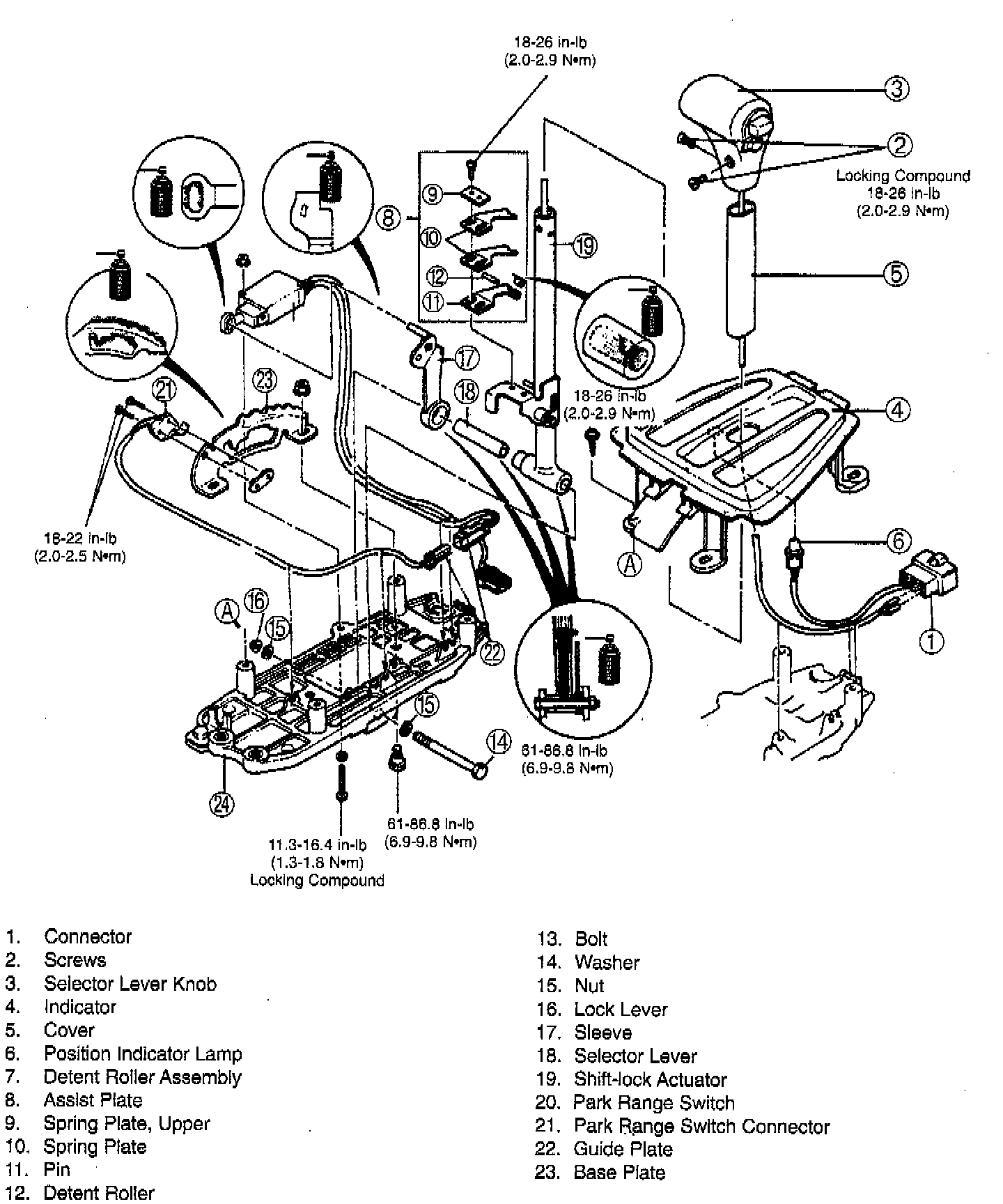
Neutral Safety Switch: Testing and Inspection

CONTINUITY
1. Disconnect the negative battery cable.
2. Remove the front and rear console, refer to FRONT AND REAR CONSOLE.
3. Remove the indicator screws and raise the indicator panel.





4. Disconnect the Park range switch connector.








5. Check continuity between the terminals.





6. If not as specified, replace the Park range switch.





7. Connect the Park range switch connector.
8. Adjust the indicator panel, refer to INDICATOR.
9. Install the front and rear console, refer to FRONT AND REAR CONSOLE.
10. Connect the negative battery cable.
11. Check for correct operation of the shift-lock system.