Curiosii for ever!: Car repair manuals for everyone.

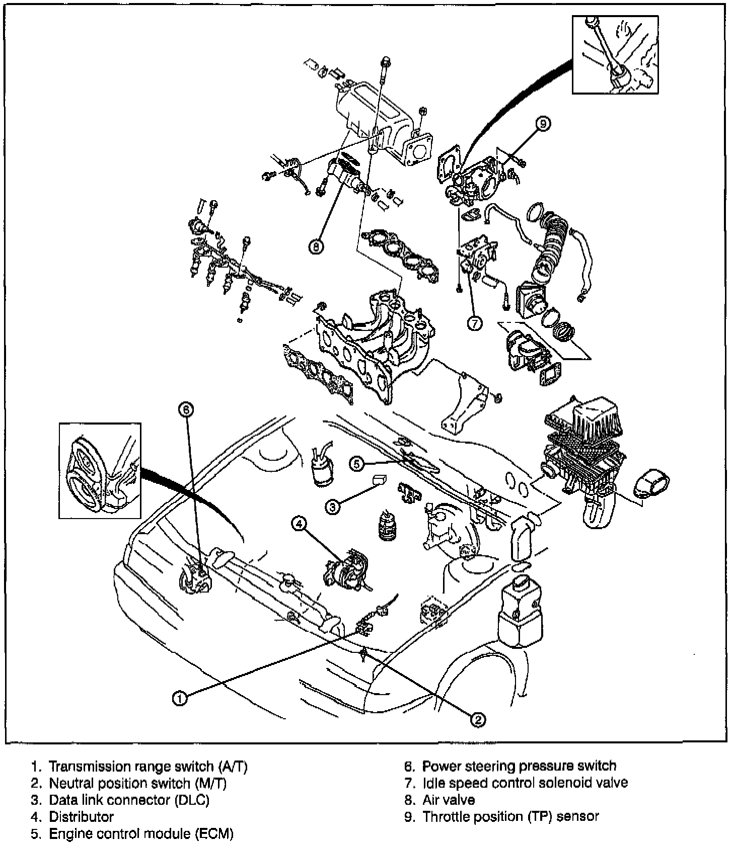
Idle Speed Control (ISC) System






DESCRIPTION
To improve idle smoothness, the ISC system controls the air amount by regulating the bypass air amount passing through the throttle body. This system consists of the idle speed control solenoid valve, air valve, ECM and input devices.