Curiosii for ever!: Car repair manuals for everyone.

Component Tests and General Diagnostics: Overview




Chart:




DLC:






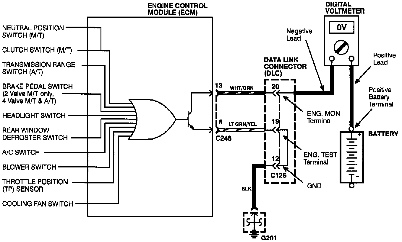
SWITCH MONITOR FUNCTION
Individual switches can be inspected through the data link connector (DLC).

NOTE:
- Ground the ENG. TEST terminal of the data link connector (DLC).
- Place a digital voltmeter in series between the battery and the ENG. MON. terminal of the data link connector (DLC).


DLC Location:




DLC:









INSPECTION PROCEDURE
1. Locate the data link connector (DLC).
2. Jump the engine test terminal to ground.
3. Connect a voltmeter in series between the positive terminal of the battery and the engine monitor terminal of the data ink connector (DLC).
4. Turn the ignition switch ON. Do not start the engine.
5. Check the voltage indicated when each switch is made to function as described.

CAUTION: Do not start the engine.