Curiosii for ever!
: Car repair manuals for everyone.
Home
>>
Kia
>>
1993
>>
Sephia Sedan L4-1.6L SOHC 8V
>>
Repair and Diagnosis
>>
Diagrams
>>
Exploded Views
>>
Timing Components
>>
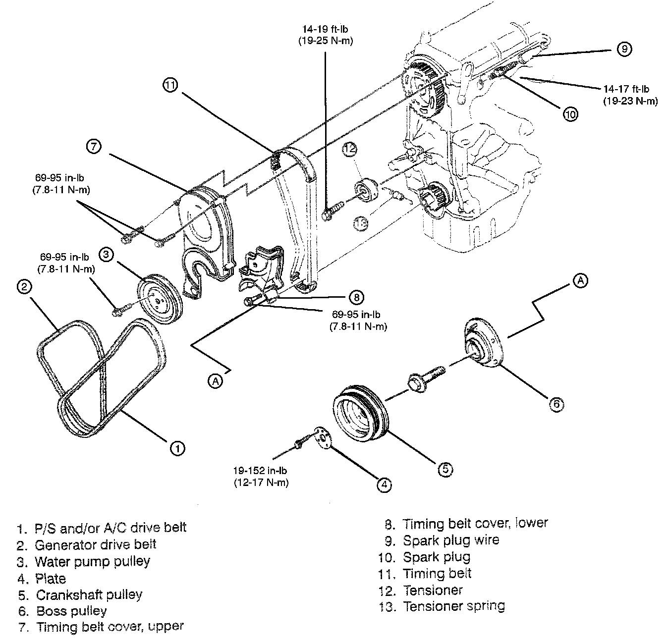
System Diagram
System Diagram