Curiosii for ever!: Car repair manuals for everyone.

Repair Procedures






Removal

1. Turn the ignition switch OFF.
2. Remove the air cleaner assembly (A).




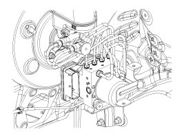
3. Pull up the lock of the ABS control unit connector , then disconnect the connector.
4. Disconnect the brake tubes from the HECU by unlocking the nuts counterclockwise with a spanner.

Tightening torque:
18.6 - 22.6N.m(1.9 - 2.3kgf.m, 13.7 - 16.6lb-ft)




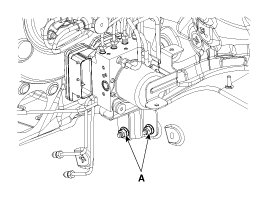
5. Loosen the ABS HECU bracket nuts(A), then remove HECU and bracket.

Tightening torque:
16.7 - 25.5N.m (1.7 - 2.6kgf.m, 12.3 - 18.8lb-ft)





CAUTION:
1. Never attempt to disassemble the HECU.
2. Never shock to the HECU.

6. Remove the 3 bolts, then remove the bracket from HECU.

Tightening torque:
10.8 - 13.7N.m (1.1 - 1.4kgf.m, 8.0 - 10.1lb-ft)

Installation

1. Installation is the reverse of removal.
2. Tighten the HECU mounting bolts and nuts to the specified torque.
3. After installation, bleed the brake system.