Curiosii for ever!
: Car repair manuals for everyone.
Home
>>
Kia Truck
>>
2011
>>
Sorento 2WD V6-3.5L
>>
Repair and Diagnosis
>>
Diagrams
>>
Electrical Diagrams
>>
Starting System
>>
Keyless Starting System
>>
Keyless Start Control Module
>>
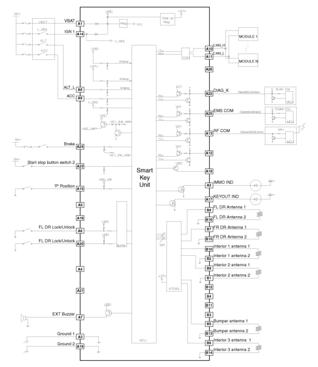
Smart Key Unit
Smart Key Unit
Circuit Diagram