Repair Procedures
Removal
1. Turn the ignition switch OFF.
2. Remove the air cleaner assembly (A).
3. Pull up the lock of the ABS control unit connector , then disconnect the connector.
4. Disconnect the brake tubes from the HECU by unlocking the nuts counterclockwise with a spanner.
Tightening torque:
18.6 - 22.6N.m(1.9 - 2.3kgf.m, 13.7 - 16.6lb-ft)
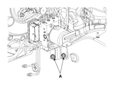
5. Loosen the ABS HECU bracket nuts(A), then remove HECU and bracket.
Tightening torque:
16.7 - 25.5N.m (1.7 - 2.6kgf.m, 12.3 - 18.8lb-ft)
CAUTION:
1. Never attempt to disassemble the HECU.
2. Never shock to the HECU.
6. Remove the 3 bolts, then remove the bracket from HECU.
Tightening torque:
10.8 - 13.7N.m (1.1 - 1.4kgf.m, 8.0 - 10.1lb-ft)
Installation
1. Installation is the reverse of removal.
2. Tighten the HECU mounting bolts and nuts to the specified torque.
3. After installation, bleed the brake system.