Curiosii for ever!
: Car repair manuals for everyone.
Home
>>
Kia Truck
>>
2011
>>
Sorento 2WD L4-2.4L
>>
Repair and Diagnosis
>>
Powertrain Management
>>
Computers and Control Systems
>>
Fuel Level Sensor
>>
Locations
>>
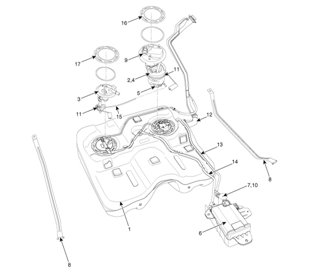
Components Location
Components Location
Components Location