Curiosii for ever!: Car repair manuals for everyone.

Cruise Control Servo: Service and Repair





REPLACEMENT

CRUISE CONTROL UNIT AND CABLE
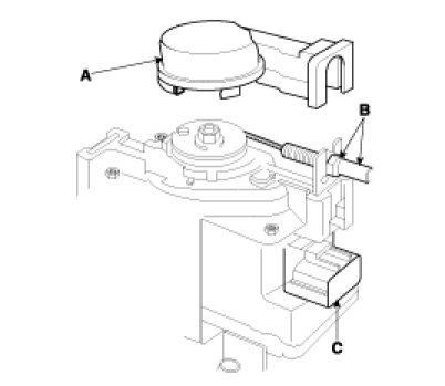
1. Loosen the locknuts(A) and disconnect the actuator cable (B) from the throttle linkage(C).




2. Disconnect the cover, actuator cable and connector.




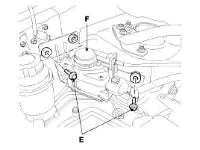
3. Loosen the three mounting bolts(E), and remove the actuator(F) with the bracket.




4. Installation is the reverse of removal.