Curiosii for ever!
: Car repair manuals for everyone.
Home
>>
Kia Truck
>>
2010
>>
Sedona V6-3.8L
>>
Repair and Diagnosis
>>
Diagrams
>>
Exploded Views
>>
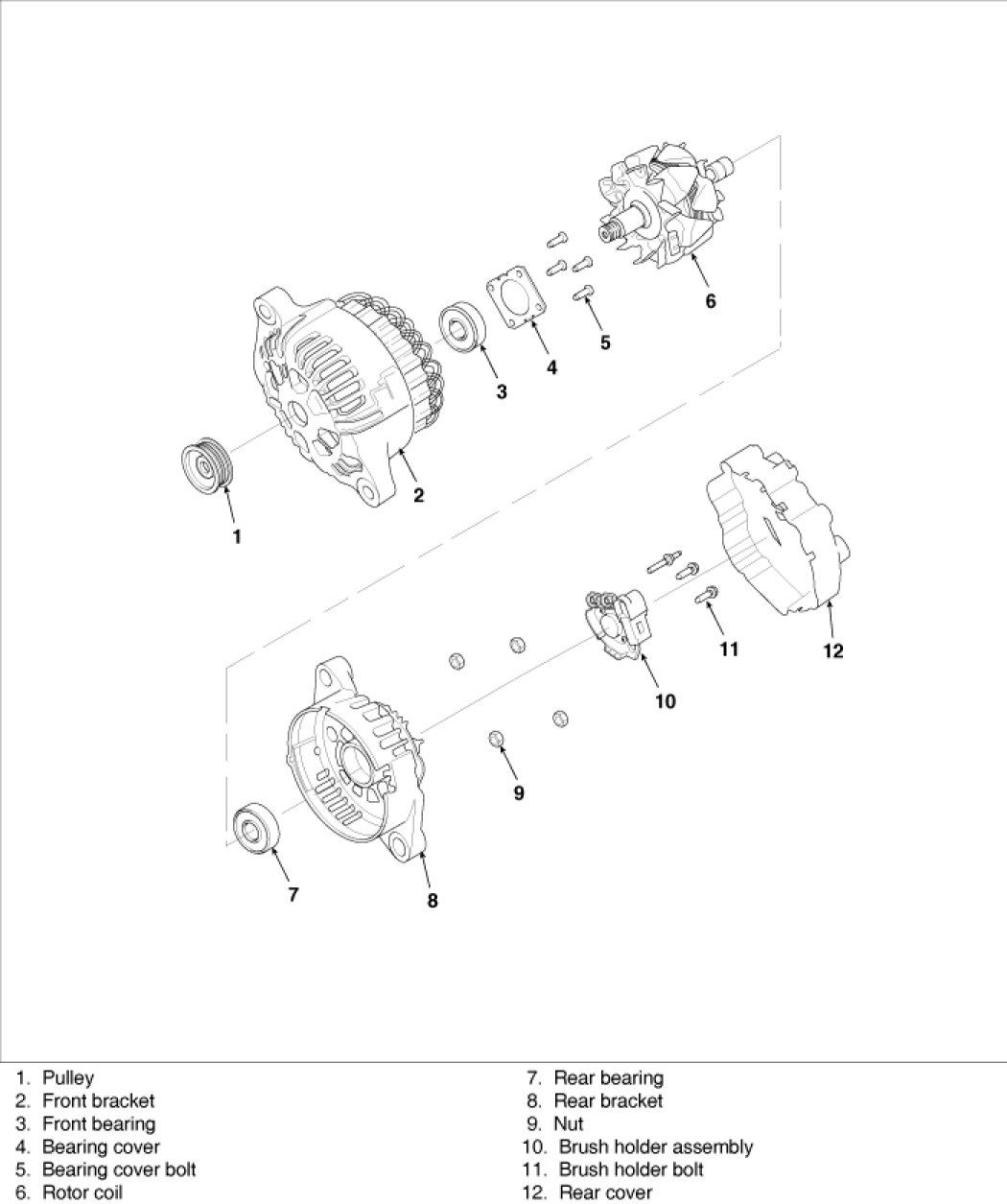
Alternator
Alternator
COMPONENT