Curiosii for ever!
: Car repair manuals for everyone.
Home
>>
Kia Truck
>>
2009
>>
Sportage 2WD L4-2.0L
>>
Repair and Diagnosis
>>
Diagrams
>>
Exploded Views
>>
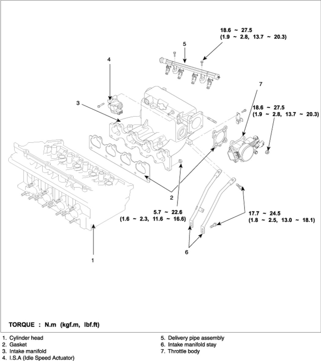
Intake Manifold
Intake Manifold
COMPONENT