Curiosii for ever!
: Car repair manuals for everyone.
Home
>>
Kia Truck
>>
2009
>>
Sorento 4WD V6-3.3L
>>
Repair and Diagnosis
>>
Powertrain Management
>>
Computers and Control Systems
>>
Relays and Modules - Computers and Control Systems
>>
Engine Control Module
>>
Diagrams
>>
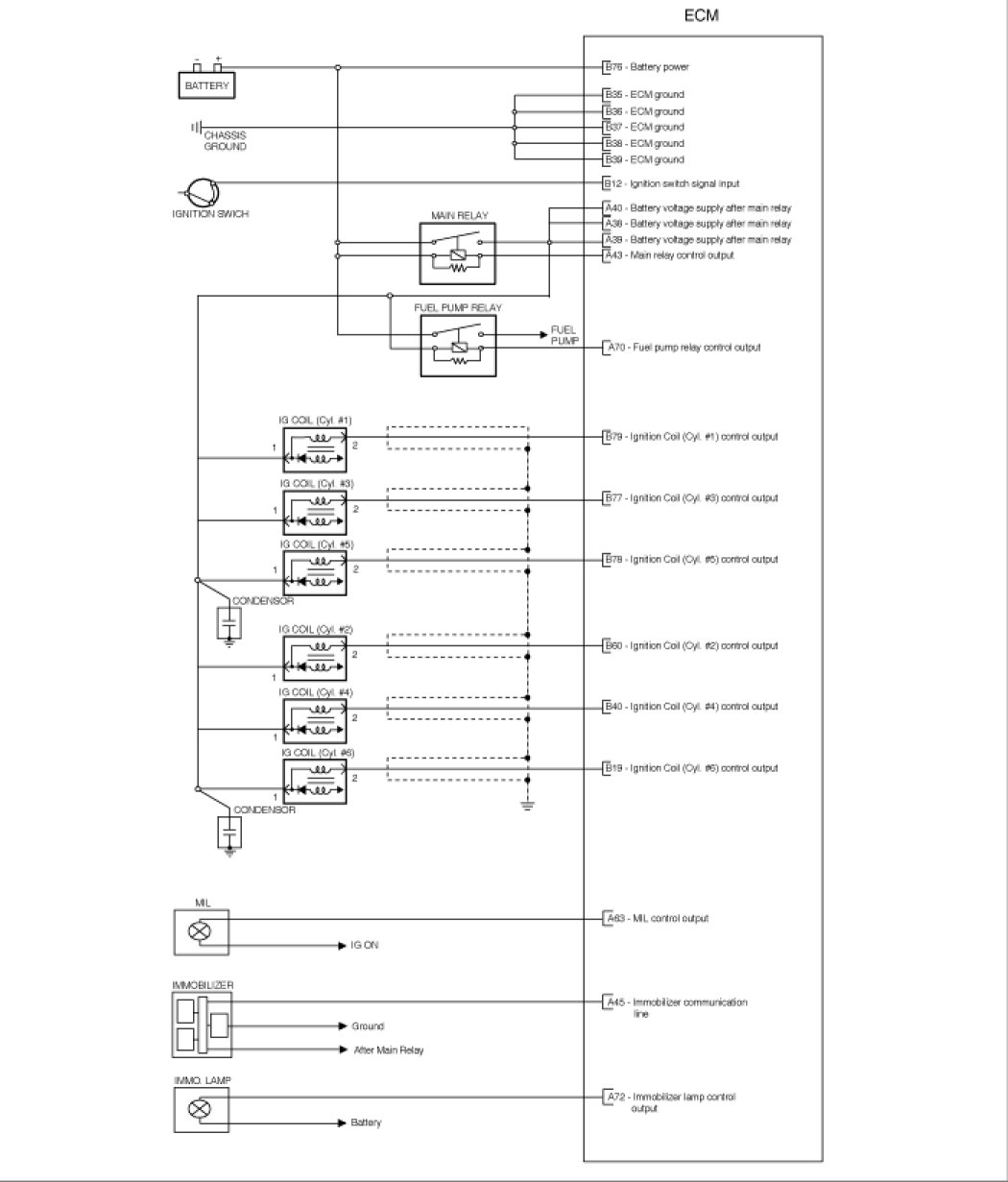
Electrical Diagrams
Electrical Diagrams
CIRCUIT DIAGRAM