Curiosii for ever!: Car repair manuals for everyone.

Body Control Module: Description and Operation








OPERATION

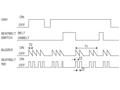
1. SEAT BELT WARNING TIMER
(1) When IGN1 ON & SEAT BELT is not being worn, WARNING IND is blinking as cycle of 0.6s and BUZZER is outputting for 6s.
(2) When IGN1 SWITCH is OFF during OUTPUT, SEAT BELT WARNING IND and BUZZER shall stop the output immediately.
(3) When SEAT BELT is wearing during the worn light or alarm output, STOP the output of IND & BUZZER.
(4) In case of IGN1 SWITCH ON, after wearing SEAT BELT and then removing, WARNING IND is blinking as cycle of 0.6s and BUZZER is outputting for 6s.
(5) When IGN ON during wearing SEAT BELT, don't output IND & BUZZER are not on.




T1 : 6 ± 1 sec.
T2 : 1 ± 0.1 sec,
T3 : 0.3 ± 0.1 sec.
2. REMOTE KEYLESS ENTRY control
Operate LOCK / UNLOCK of DOOR and TAIL GATE GLASS, PANIC by REMOCON.
A. Operate in state of KEY IN SWITCH OUT & ACC SWITCH OFF & IGN1 SWITCH OFF & IGN2 SWITCH OFF.
B. By receiving LOCK, UNLOCK, TAIL GATE GLASS, PANIC signal from transmitter, output LOCK / UNLOCK of DOOR and TAIL GATE GLASS OPEN, PANIC.
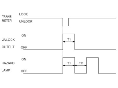
(1) TRANSMITTER LOCK FUNCTION
A. In case of removing IGN KEY from CYLINDER and all Door is CLOSE, when receiving TRANSMITTER LOCK signal, start the operation of LOCK output and after T3 from the starting point of operation and then checking the state of LOCK SWITCH, ON the output of HAZARD LAMP for 1s one time.
B. In state of any of DOOR, TAIL GATE, TAIL GATE GLASS is OPEN, when receiving TRANSMITTER LOCK signal, output LOCK only, don't output HAZARD LAMP.
C. After b), in case of OPEN > CLOSE, ON the output of HAZARD LAMP one time.
D. In state of Driver and Assist(North America ONLY) DOOR LOCK, when receiving TRANSMITTER LOCK signal, output HAZARD LAMP for 1s one time after re-outputting LOCK.




T1 : 0.5 ± 0.1 sec,
T2 : 1.0 ± 0.2 sec,
T3 : 0.2 ± 0.04 sec.
(2) TRANSMITTER UNLOCK FUNCTION
A. When receiving TRANSMITTER UNLOCK signal, output UNLOCK and ON the output of HAZARD LAMP as cycles of 0.5s and 0.5s (ON/OFF) two times.
B. In state of Driver and Assist(North America ONLY) DOOR UNLOCK, when receiving TRANSMITTER UNLOCK, ON the output of HAZARD LAMP as cycles of 0.5s and 0.5s (ON/OFF) two times after outputting UNLOCK.
C. After TRANSMITTER UNLOCK and then there are no inputs of Entering (DOOR, TAIL GATE, TAIL GATE GLASS) OPEN within 30s, lock them automatically and ON the output of HAZARD LAMP for 1s one time. And in case of TRANSMITTER UNLOCK within 30s once more, extend the time for about 30s. (regardless the state of KNOB within 30s)
But, after TRANSMITTER UNLOCK and then insetting KEY within 30s, cancel 30s TIMER. (After the initial TRANSMITTER UNLOCK without LOCK, HAZARD output, and after keeping the output of ROOM LAMP for 30s, turn out the light 2s)




T1, T2 : 0.5 ± 0.1 sec.
(3) TRANSMITTER TAIL GATE GLASS OPEN FUNCTION
A. In state of removing IGN KEY from CYLINDER and inputting TAIL GATE GLASS OPEN signal of TRANSMITTER, ON the output of TAIL GATE GLASS OPEN RELAY for 0.5s.
B. In state of TAIL GATE GLASS OPEN, turn on TAIL GATE WARNING LAMP and ROOM LAMP.




T1 : 0.5 ± 0.1 sec.
(4) TAIL GATE GLASS OPEN FUNCTION (NON- RKE)
A. In state of removing IGN KEY from CYLINDER and INPUT of TAIL GATE KEY SWITCH is inputting within T1 2 times, ON the output of TAIL GATE GLASS OPEN RELAY for 0.5s.
B. In state of TAIL GATE GLASS OPEN, turn on TAIL GATE WARNING LAMP and ROOM LAMP.




T1 : 3.0 ± 0.5 sec,
T2 : 0.5 ± 0.1 sec.
(5) HORN ANSWER BACK
In state of LOCK by TRANSMITTER, when receiving TRANSMITTER LOCK signal within 4s after receiving the final TRANSMITTER LOCK signal, output HORN one time (0.03s)
(When receiving SAFETY KNOB UNLOCK, DOOR or T/G OPEN, TRANSMITTER UNLOCK, TRANSMITTER T/G GLASS OPEN signal within 4s after receiving TRANSMITTER LOCK signal, RESET.)




T1 : 0.5 ± 0.1 sec,
T2 : 1 ± 0.2 sec,
T3 : 30.0 ± 5 msec,
T4 : within 4 ± 1s,
T5 : more than 4 ± 1s
(6) PANIC ALARM
A. When receiving TRANSMITTER PANIC signal, ON the PANIC ALARM by using HORN and HAZARD for T1.
B. During PANIC alarm, when receiving (TRANSMITTER LOCK / TRANSMITTER UNLOCK / TRANSMITTER PANIC / TRANSMITTER TAIL GATE GLASS OPEN / KEY IN / DRIVER KEY UNLOCK, DRIVER KEY LOCK) signal, OFF PANIC Alarm.
C. During PANIC alarm, even if receiving the other TRANSMITTER registered, regard it as the same TRANSMITTER.
D. After RELOCKING by TRANSMITTER UNLOCK, when all the door (4DOOR, TAIL GATE, TAIL GATE GLASS) is closed and all KNOB is LOCK, OFF PANIC Alarm.




T1 : 30 ± 3 sec.
3. RKE CODE SAVE function
(1) CODE SAVER COMMUNICATION SPEC