Curiosii for ever!: Car repair manuals for everyone.

Schematic Diagrams

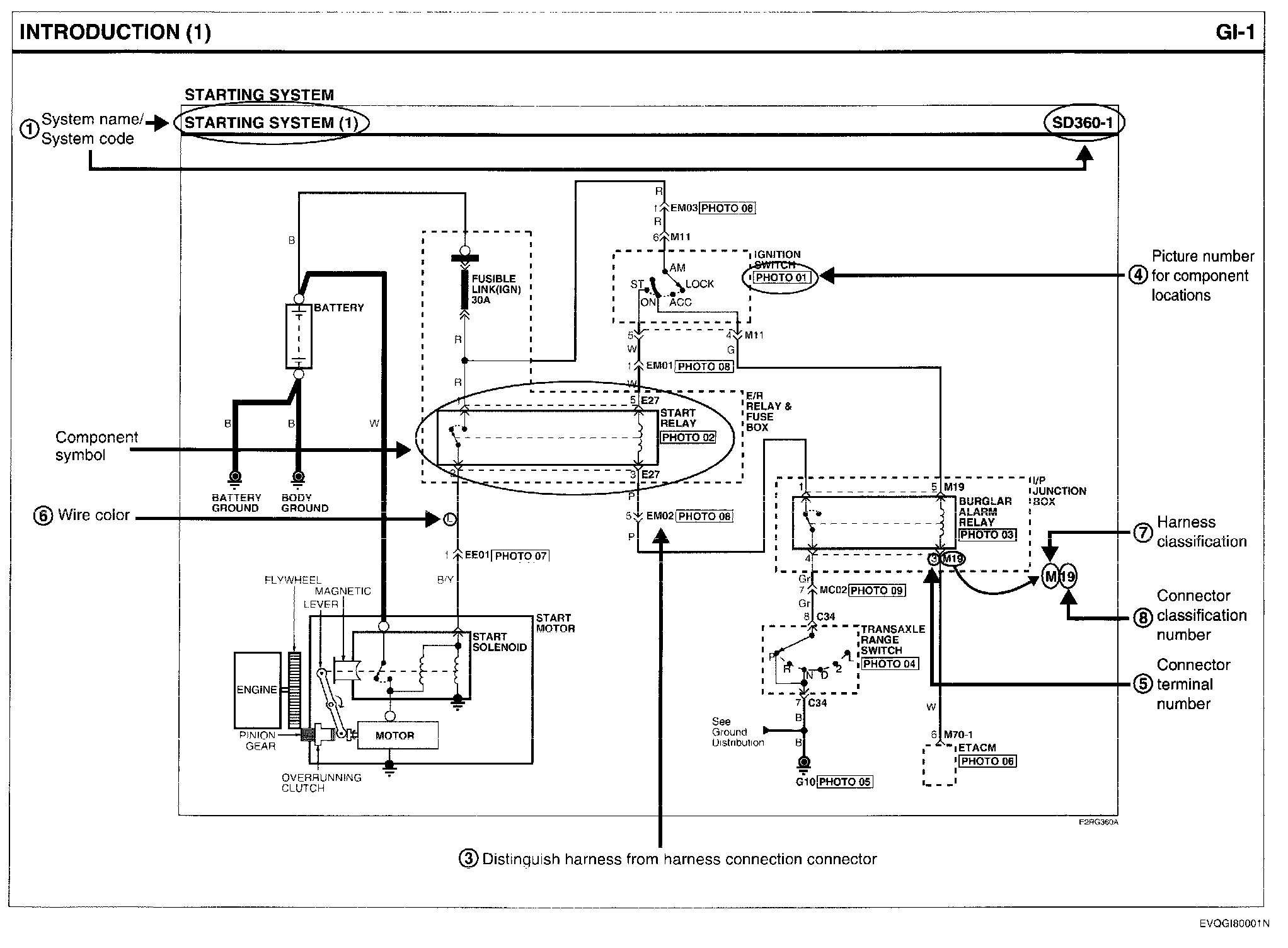
INTRODUCTION









1. Pages by system/ Name of Schematic diagram
- Each page is consisted of circuits by system This schematic diagram includes the path of electricity flow connection condition for each switch, and the function of other relevant circuits at once. It is applicable to real service work
- It is very important to understand relevant circuits exactly before troubleshooting diagnosis
- Circuits by system depends upon pant number and are indicated on schematic diagram index.

2. Connector configuration (components)
- The connector figure of components in the schematic diagram by system is indicated on the last page of schematic diagram.
- It shows the front of the connector on the harness side when not to the harness connector. The terminal number on each connector can be obtained by following the pattern used in (5) connector view and numbering order Unused terminals are marked with an asterisk (*).

3. Connector configurations (connection between harnesses)
- When connecting the harness with connector between harnesses it shows female and male connectors and indicates them on the connector configurations group.






4. Component locations
- To find the components easily a component locations diagram is indicated with "PHOTO NO" on the lower portion of the component name.
- To make it easy to distinguish connectors, the connector in the picture is indicated being installed in the vehicle.






5. CONNECTOR VIEW AND NUMBERING ORDER






NOTE: UNLESS OTHERWISE STATED, ALL CONNECTOR VIEWS ARE FROM THE TERMINAL SIDE OF THE CONNECTOR.

6. WIRE COLOR ABBREVIATIONS
The following abbreviations are used to identify wire colors in the circuit schematics.






7. HARNESS CLASSIFICATION
Electrical wiring connectors are classified according to the wiring parts in the Harness Layouts.






- It depends on vehicles it is necessary to check the harness name symbol on the harness layouts for detailed symbol

8. CONNECTOR IDENTIFICATION
A connector identification symbol consists of a wiring harness location classification symbol corresponding to a wiring harness location and number corresponding to the connector.
These connector locations can be found in the HARNESS LAYOUTS.

For example:






NOTE: Connectors which connector each wiring harness are represented by the following symbols.

For example:






JUNCTION BLOCK IDENTIFICATION
A junction block identification symbol consists of a wiring harness location classification symbol corresponding to a wiring harness location and number corresponding to the connector in the junction block.

For example:






HARNESS LAYOUTS
Harness layouts show the routing of the major wiring harnesses, the in-line connectors and the splices between the major harnesses. These layouts will make electrical troubleshooting easier.