Curiosii for ever!
: Car repair manuals for everyone.
Home
>>
Kia Truck
>>
2007
>>
Sedona V6-3.8L
>>
Repair and Diagnosis
>>
Powertrain Management
>>
Computers and Control Systems
>>
Engine Control Module
>>
Diagrams
>>
Electrical Diagrams
Electrical Diagrams
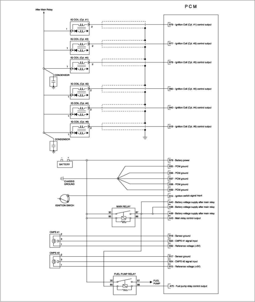
CIRCUIT DIAGRAM