Curiosii for ever!
: Car repair manuals for everyone.
Home
>>
Kia Truck
>>
2005
>>
Sedona V6-3.5L
>>
Repair and Diagnosis
>>
Diagrams
>>
Electrical Diagrams
>>
Power and Ground Distribution
>>
Timer/Control Unit, Accessory Control
>>
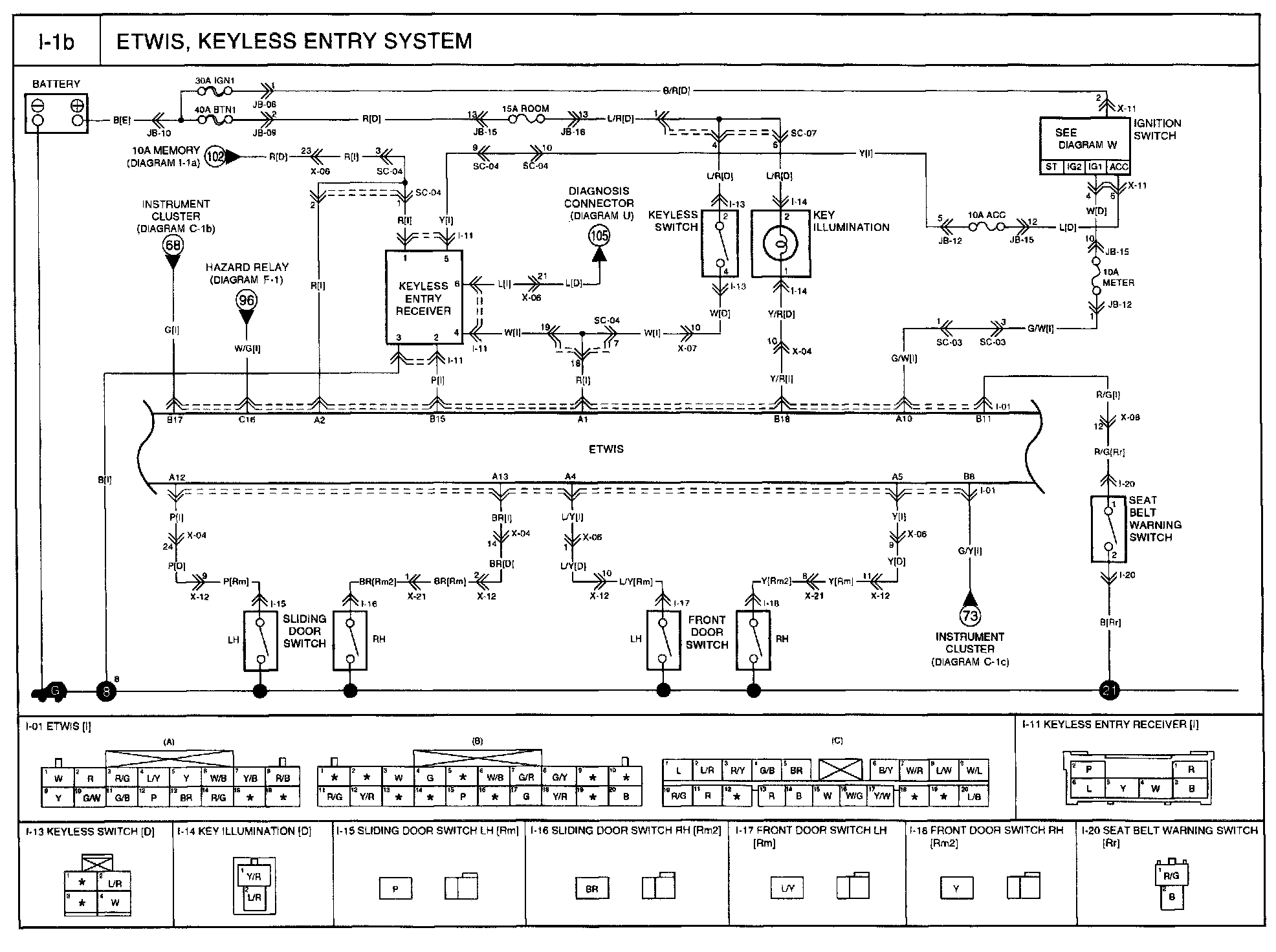
ETWIS, Keyless Entry System
ETWIS, Keyless Entry System
Diagram I-1b:
Routing View I-1b:
Diagrams
: Other diagrams referred to by name within these diagrams can be found at
Diagrams by Diagram Name
.
Diagrams By Diagram Name