Curiosii for ever!
: Car repair manuals for everyone.
Home
>>
Kia Truck
>>
2004
>>
Sorento V6-3.5L
>>
Repair and Diagnosis
>>
Diagrams
>>
Exploded Views
>>
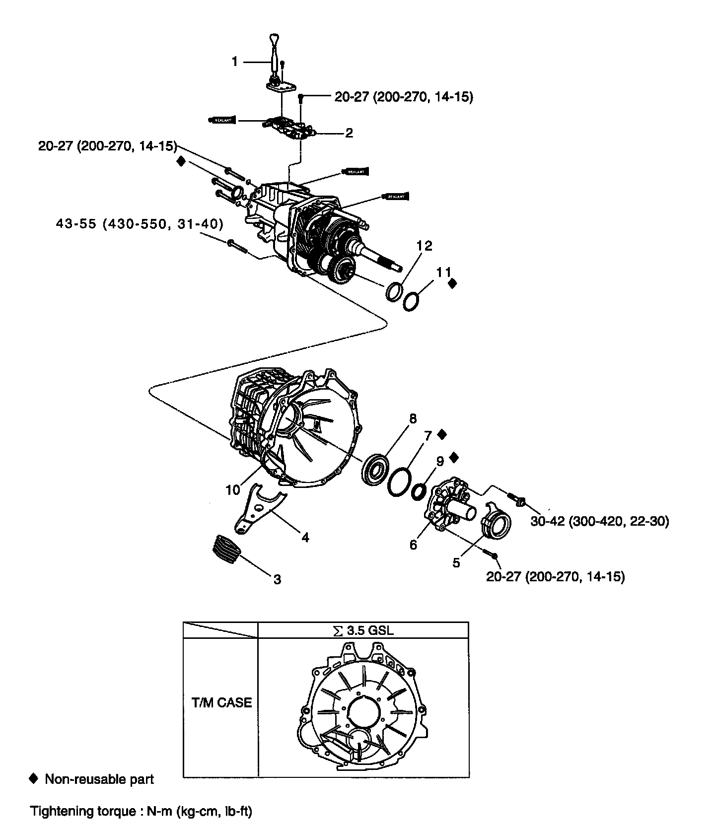
Manual Transmission/Transaxle
Manual Transmission/Transaxle
COMPONENTS (1)
COMPONENTS (2)