Curiosii for ever!
: Car repair manuals for everyone.
Home
>>
Kia Truck
>>
2003
>>
Sorento V6-3.5L
>>
Repair and Diagnosis
>>
Powertrain Management
>>
Computers and Control Systems
>>
Engine Control Module
>>
Locations
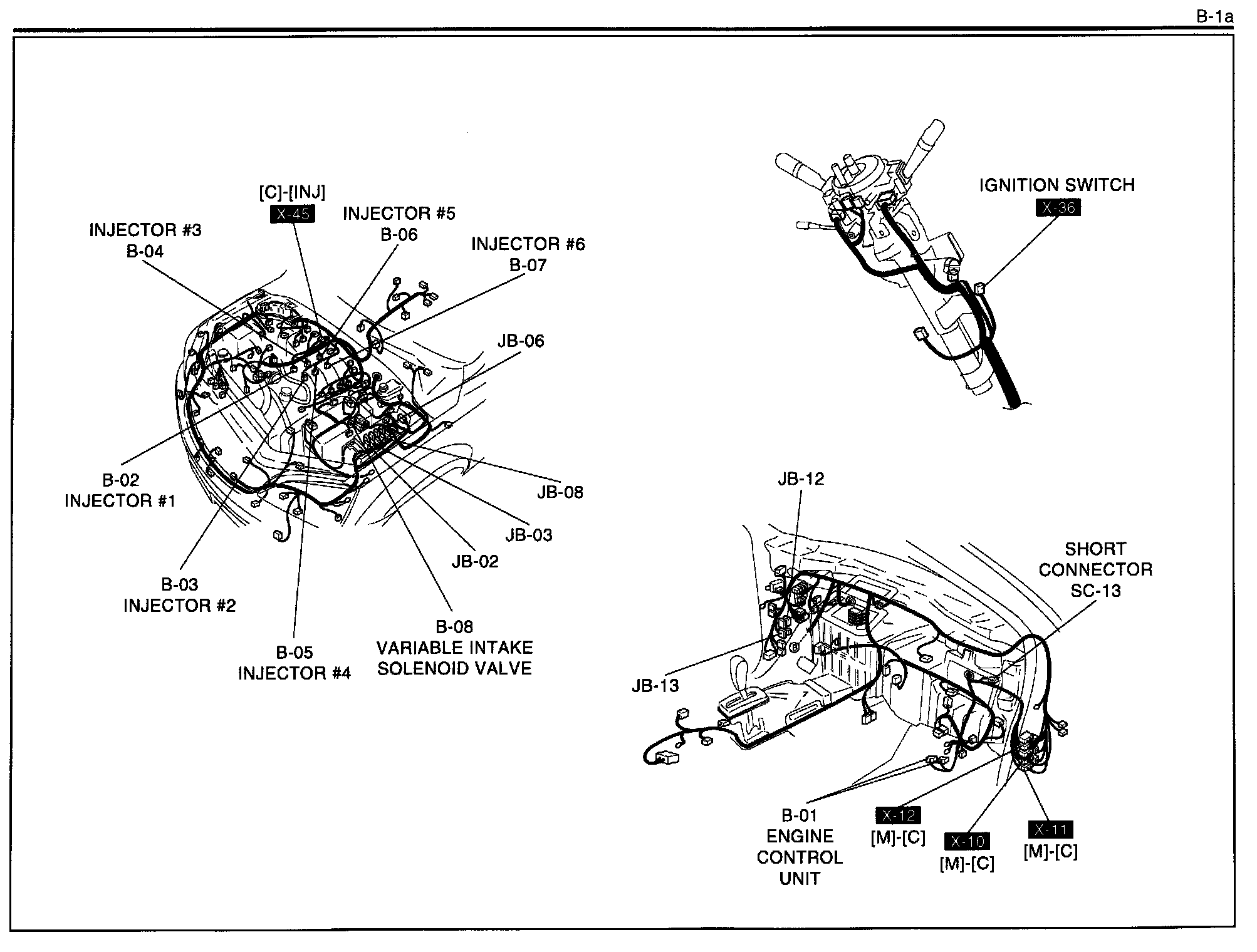
Engine Control Module: Locations
Routing View B-1a: