Curiosii for ever!: Car repair manuals for everyone.

Air Flow Meter/Sensor: Testing and Inspection

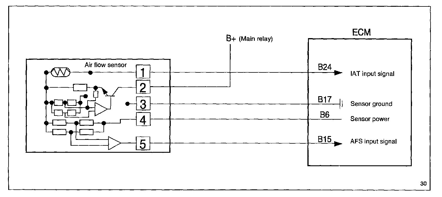
AFS, IATS:




The air flow sensor adopts the feature of maintaining a certain temperature of the heater for sensor to make the hot film element detect the air flow and send related signal to the ECM. The ECM then determines the fuel amount and ignition timing and check the information to apply the fuel and A/C load correction.

The IAT is used to detect the temperature of intake air to support the correction of fuel flow and ignition timing, and the compensation of air temperature for idle control.












Troubleshooting hints
1. If the engine stalls occasionally, start the engine and shake the MAFS harness. If the engine stalls, check for poor contact at the MAFS connector.
2. If the MAFS sensor output voltage is other than 0 when the ignition switch is turned ON (do not start the engine), check for faulty MAFS and ECM.
3. If the engine can idle even if the MAFS output voltage is out of specification, check the conditions as below:
- Air flow distributed from MAFS, disconnected air duct and clogged air cleaner filter.
- Poor combustion in the cylinder, faulty spark plug, ignition coil, injector and incorrect comparison.

4. Though no MAFS malfunction occurs, check the mounting direction of the MAFS.

NOTE:
1. The air quantity of mass air flow sensor will be about 10% higher in case of new vehicle (within initial running of about 500 km (300 miles)).
2. Use an accurate digital voltmeter.
3. Before checking, warm up the engine until the engine coolant temperature reaches 80 - 90 °C (175 - 198 °F).

Harness Inspection (MAFS):