Curiosii for ever!: Car repair manuals for everyone.

Intrusion Module - Installation - Export






INSTALLATION

WARNING: To avoid serious or fatal injury on vehicles equipped with airbags, disable the Supplemental Restraint System (SRS) before attempting any steering wheel, steering column, airbag, seat belt tensioner, impact sensor or instrument panel component diagnosis or service. Disconnect and isolate the battery negative (ground) cable, then wait two minutes for the system capacitor to discharge before performing further diagnosis or service. This is the only sure way to disable the SRS. Failure to take the proper precautions could result in accidental airbag deployment.





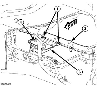
1. Position the intrusion module (3) and mounting bracket (4) under the instrument panel as a unit.
2. Reconnect the instrument panel wire harness connector to the connector receptacle at the forward-facing of the module housing.
3. Position the module mounting bracket to the lower instrument panel reinforcement (2).
4. Install and tighten the two screws (1) that secure the mounting bracket to the lower instrument panel reinforcement. Tighten the screws to 8 Nm (71 in. lbs.).
5. Reinstall the steering column opening cover onto the instrument panel. Steering Column Opening Cover - Installation.
6. Reconnect the battery negative cable.