Curiosii for ever!: Car repair manuals for everyone.

Checking The Fuel Delivery System






CHECKING THE FUEL DELIVERY SYSTEM

Special Tools:










For a complete wiring diagram, refer to the Wiring Information.






1. FUEL PUMP OPERATION
1. Ignition on, engine not running.
2. With a scan tool, actuate the Fuel System test.

NOTE: It may be necessary to use a mechanics stethoscope in the next step.

3. Listen for fuel pump operation at the fuel tank.

Does the Fuel Pump operate?

Yes

- Go To 2

No

- Go To 5 CAUTION: Stop All Actuations.


2. FUEL PRESSURE

WARNING: The fuel system is under a constant pressure (even with the engine off). Before testing or servicing any fuel system hose, fitting or line, the fuel system pressure must be released. Failure to follow these instructions can result in possible serious or fatal injury.

1. Turn the ignition off.
2. Install a fuel pressure gauge at the engine.
3. Ignition on, engine not running.
4. With the scan tool, actuate the ASD Fuel System test and observe the fuel pressure gauge.

NOTE: Fuel pressure specification is 407 KPa +/- 34 KPa (59 psi +/- 5 psi).

Choose a conclusion that best matches your fuel pressure reading.

Below Specification

- Go To 3

Within Specification

- Check for contamination/water in the fuel. Make sure the fuel being used in this vehicle meets manufactures Fuel Requirement.

Above Specification

- Replace the fuel filter/fuel pressure regulator.
- Perform the POWERTRAIN VERIFICATION TEST. Powertrain Verification Test. CAUTION: Stop All Actuations.


3. RESTRICTED FUEL SUPPLY LINE

WARNING: The fuel system is under a constant pressure even with the engine off. Before testing or servicing any fuel system hose, fitting or line, the fuel system pressure must be released.

1. Turn the ignition off.
2. Raise vehicle on hoist, and disconnect the fuel pressure line at the fuel pump module.
3. Install special tool # (5/16") or #(3/8") fuel line adapter and the fuel pressure gauge between the fuel supply line and the fuel pump module.
4. Ignition on, engine not running.
5. With the scan tool, actuate the ASD Fuel System test and observe the fuel pressure gauge.

NOTE: Fuel pressure specification is 407 KPa +/- 34 KPa (59 psi +/- 5 psi).

Is the fuel pressure within specification now?

Yes

- Repair/replace fuel supply line as necessary.
- Perform the POWERTRAIN VERIFICATION TEST. Powertrain Verification Test.

No

- Go To 4 CAUTION: Stop All Actuations.


4. CHECKING FUEL INLET STRAINER

WARNING: The fuel system is under a constant pressure (even with the engine off). Before testing or servicing any fuel system hose, fitting or line, the fuel system pressure must be released. Failure to follow these instructions can result in possible serious or fatal injury.

1. Turn the ignition off.
2. Remove the Fuel Pump Module and inspect the Fuel Inlet Strainer.

Is the Fuel Inlet Strainer plugged?

Yes

- Replace the Fuel Pump Inlet Strainer.
- Perform the POWERTRAIN VERIFICATION TEST. Powertrain Verification Test.

No

- Replace the Fuel Pump Module.
- Perform the POWERTRAIN VERIFICATION TEST. Powertrain Verification Test.

5. FUEL PUMP CONTROL OPERATION FROM THE PCM




1. Stop the Fuel Pump actuation.
2. Turn the ignition off.
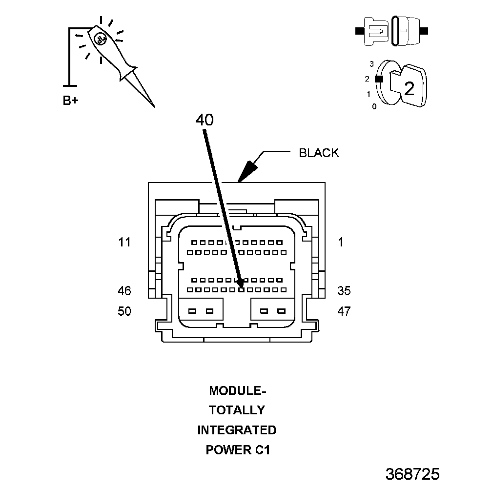
3. Disconnect the C1 TIPM harness connector.

NOTE: Before continuing, check the TIPM harness connector terminals for corrosion, damage, or terminal push out. Repair as necessary.

4. Ignition on, engine not running.
5. Using a 12-volt test light connected to B+ probe the (K31 Fuel Pump Control circuit in the C1 TIPM harness connector.
6. Using a scan tool actuate the Fuel Pump under the PCM actuations.

Does the test light illuminate brightly during the actuation?

Yes

- Go To 8

No

- Go To 6

6. (K31) FUEL PUMP CONTROL CIRCUIT OPEN




1. Turn the ignition off.
2. Disconnect the C3 PCM harness connector.

CAUTION: Do not probe the PCM harness connectors. Probing the PCM harness connectors will damage the PCM terminals resulting in poor terminal to pin connection. Install the PCM Pinout Box to perform diagnosis.

3. Measure the resistance of the (K31) Fuel Pump Control circuit from the C1 TIPM harness connector to the appropriate terminal of special tool #.

Is the resistance below 5.0 ohms?

Yes

- Go To 7

No

- Repair the open in the (K31) Fuel Pump Control circuit.
- Perform the POWERTRAIN VERIFICATION TEST. Powertrain Verification Test.

7. (K31) FUEL PUMP CONTROL CIRCUIT SHORTED TO GROUND




1. Measure the resistance between ground and the (K31) Fuel Pump Control circuit in the TIPM C1 harness connector.

Is the resistance below 100 ohms?

Yes

- Repair the short to ground in the (K31) Fuel Pump Control circuit.
- Perform the POWERTRAIN VERIFICATION TEST. Powertrain Verification Test.

No

- Go To 11

8. (N1) FUEL PUMP OUTPUT CIRCUIT OPEN




1. Turn the ignition off.
2. Disconnect the C5 TIPM harness connector.
3. Disconnect the Fuel Pump Module harness connector.
4. Measure the resistance of the (N1) Fused Fuel Pump Output circuit from the C5 TIPM harness connector and the Fuel Pump Module harness connector.

Is the resistance above 5.0 ohms?

Yes

- Repair the open in the (N1) Fused Fuel Pump Output circuit.
- Perform the POWERTRAIN VERIFICATION TEST. Powertrain Verification Test.

No

- Go To 9

9. (N1) FUEL PUMP OUTPUT CIRCUIT SHORTED TO GROUND




1. Measure the resistance between ground and the (N1) Fused Fuel Pump Output circuit at the Fuel Pump Module harness connector.

Is the resistance below 100 ohms?

Yes

- Repair the short to ground in the (N1) Fused Fuel Pump Output circuit.
- Perform the POWERTRAIN VERIFICATION TEST. Powertrain Verification Test.

No

- Go To 10

10. FUEL PUMP MODULE/TIPM




1. Connect the C3 PCM harness connector.
2. Connect the C1 and C5 TIPM harness connectors.
3. Turn the ignition on.
4. Using a scan tool actuate the Fuel Pump Module.
5. Using a 12-volt test light connected to ground, probe the (N1) Fused Fuel Pump Output circuit at the Fuel Pump Module harness connector.

Does the test light illuminate?

Yes

- Replace the Fuel Pump Module. Fuel Tank - Removal.
- Perform the POWERTRAIN VERIFICATION TEST. Powertrain Verification Test.

No

- Replace the Totally Integrated Power Module.
- Perform the POWERTRAIN VERIFICATION TEST. Powertrain Verification Test.

11. POWERTRAIN CONTROL MODULE (PCM)

NOTE: Before continuing, check the PCM harness connector terminals for corrosion, damage, or terminal push out. Repair as necessary.

1. Using the schematics as a guide, inspect the wire harness and connectors. Pay particular attention to all Power and Ground circuits.

Were there any problems found?

Yes

- Repair as necessary.
- Perform the POWERTRAIN VERIFICATION TEST. Powertrain Verification Test.

No

- Replace and program the Powertrain Control Module.
- Perform the POWERTRAIN VERIFICATION TEST. Powertrain Verification Test.