Curiosii for ever!: Car repair manuals for everyone.

Totally Integrated Power Module (TIPM) - Installation






INSTALLATION






CAUTION: The original Cabin Compartment Node (CCN) and Powertrain Control Module (PCM) must be installed and functioning properly prior to powering up the new Totally Integrated Power Module (TIPM). The TIPM receives vehicle configuration data from the CCN and Vehicle Identification Number (VIN) information from the PCM. If configuration information becomes lost or corrupted, the data can be obtained from DealerCONNECT

1. Position the TIPM into the engine compartment.
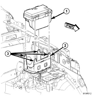
2. Connect each of the seven TIPM wire harness connectors in the order shown.





3. Position the TIPM (1) onto the mounting bracket (2) and push down until the four mounting clips are fully seated onto the mounting tabs (3).





4. Open the TIPM cover (4) and position the TIPM positive cable (2) onto the mounting stud (3) and install the retaining nut (1). Tighten the nut to 20 - 28 Nm (180 - 250 in. lbs.).
5. Fully seat the Airbag fuse holder (two fuses in one yellow carrier) and the Ignition Off Draw (IOD) fuse.
6. Close the TIPM cover (4).
7. Connect the battery negative cable.
8. Close the hood.
9. Insert the ignition key and turn it to the "RUN" position and wait twelve seconds. The TIPM will collect the necessary vehicle configuration and VIN data from the CCN and PCM at this time. After twelve seconds turn the ignition key to the "OFF" position and then back to the "ON" position and verify proper vehicle systems operation.