Totally Integrated Power Module (TIPM) - Removal
REMOVAL
1. Open hood.
2. Disconnect and isolate the battery negative cable.
3. Open the Totally Integrated Power Module (TIPM) cover (4).
4. Remove the TIPM positive cable retaining nut (1) and remove the cable (2) from the mounting stud (3).
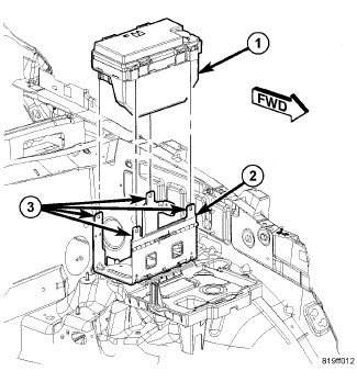
5. Using an appropriate flat bladed tool, depress the four mounting clips to disengage and remove the TIPM housing (1) from the TIPM bracket mounting tabs (3).
6. Disconnect each of the seven TIPM wire harness connectors from the TIPM housing (2).
7. Remove the TIPM from the vehicle.