Curiosii for ever!: Car repair manuals for everyone.

Trailer Tow Module - Removal






REMOVAL





1. Disconnect and isolate the battery negative cable.
2. Remove the rear seat cushion from the rear floor panel. Seat Cushion Cover - Removal.
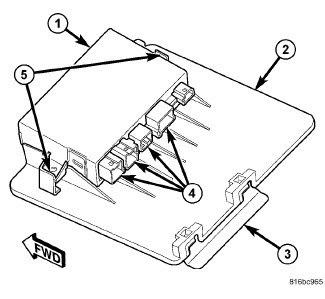
3. Disconnect the four body wire harness connectors from the connector receptacles (4) on the back of the Trailer Module (TM) (1).
4. Using a trim stick or another suitable wide flat-bladed tool, gently pry the latch features (5) on each side of the mounting plate (2) away from the mounting tabs of the module far enough to disengage the module.
5. Remove the module from the mounting plate.