Curiosii for ever!: Car repair manuals for everyone.

Door Lock Control Circuit Performance






DOOR LOCK CONTROL CIRCUIT PERFORMANCE





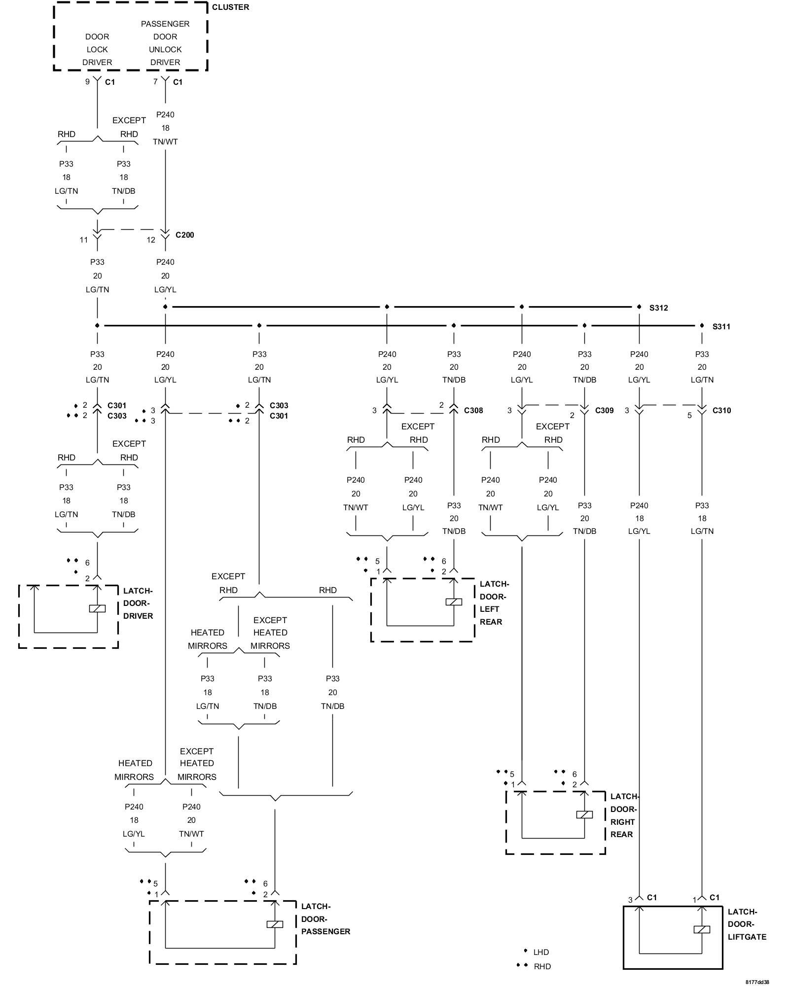
For a complete wiring diagram, refer to the Wiring Information Electrical Diagrams.






1. TEST FOR INTERMITTENT CONDITION
1. With the scan tool, record and erase DTCs
2. Operate the door locks several times.
3. Cycle the ignition from on to off.
4. Turn the ignition on.
5. With the scan tool, read DTCs.

Are there any Door Lock related DTC's?

No

- Go To 2

Yes

- Diagnose and repair the DTCs.
- Perform the BODY VERIFICATION TEST. Body Verification Test.

2. (P33) DOOR LOCK DRIVER CIRCUIT SHORT TO GROUND




1. Turn the ignition off.
2. Disconnect the Instrument Cluster C1 connector.
3. Measure the resistance between ground and the (P33) Door Lock Driver circuit in the Cluster C1 connector.

Is the resistance below 1,000 ohms?

Yes

- Repair the (P33) Door Lock Driver circuit for a short to ground.
- Perform the BODY VERIFICATION TEST. Body Verification Test.

No

- Go To 3

3. (P33) DOOR LOCK DRIVER CIRCUIT SHORTED TO BATTERY




1. Turn the ignition on.
2. Measure the voltage between ground and the (P33) Door Lock Driver circuit in the Cluster C1 connector.

Is there any voltage present?

Yes

- Repair the (P33) Door Lock Driver circuit for a short to voltage.
- Perform the BODY VERIFICATION TEST. Body Verification Test.

No

- Go To 4

4. (P33) DOOR LOCK DRIVER SHORTED TO THE (P240) PASSENGER DOORS UNLOCK DRIVER CIRCUIT




1. Turn the ignition off.
2. Measure the resistance between the (P33) Door Lock Driver circuit and the (P240) Passenger Doors Unlock Driver circuit in the Cluster C1 connector.

Is the resistance below 1.0 ohm?

Yes

- Repair the (P33) Door Lock Driver for a short to the (P240) Passenger Doors Unlock Driver circuit.
- Perform the BODY VERIFICATION TEST. Body Verification Test.

No

- Go To 5

5. (P33) DOOR LOCK DRIVER CIRCUIT OPEN




1. Measure the resistance between the (P33) Door Lock Driver circuit and the (P240) Passenger Doors Unlock Driver circuit in the Cluster C1 connector.

Is the resistance above 4.0 ohms?

Yes

- Repair the (P33) Door Lock Driver or the (P240) Passenger Doors Unlock Driver circuit for an open.
- Perform the BODY VERIFICATION TEST. Body Verification Test.

No

- Replace the Instrument Cluster.
- Perform the BODY VERIFICATION TEST. Body Verification Test.