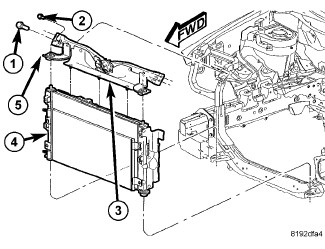
Radiator Crossmember - Installation
INSTALLATION
1. Install the crossmember (5) over the radiator (4) isolator posts.
2. Install the inner bolts (2) and tighten the left bolt first followed by the right bolt to 8 Nm (71 in. lbs.).
3. Install the outer bolts (1) and tighten to 22.5 Nm (16.5 ft. lbs.).
4. Position the close out panel (3) back into place and install the push pin fasteners.