Curiosii for ever!: Car repair manuals for everyone.

Antitheft and Alarm Systems








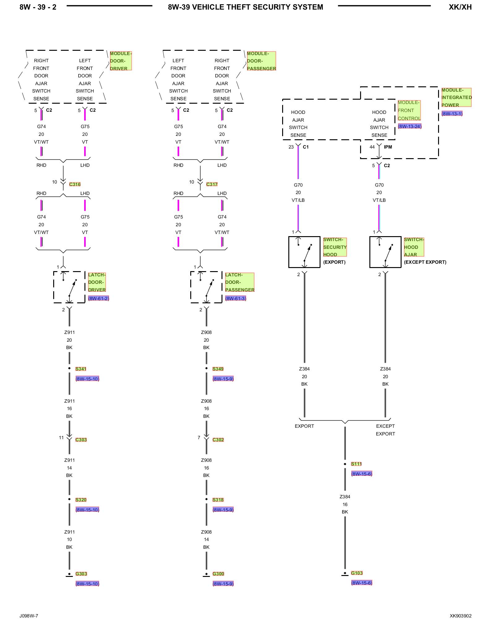
VEHICLE THEFT SECURITY SYSTEM - Diagrams
PLEASE NOTE: Some diagrams may appear to be missing because of gaps in the number sequences. These "gaps" are actually for diagrams that do not apply to the vehicle model selected.










Other Diagrams: Other diagrams referred to by number (i.e. 8W-70-2, etc.) within these diagrams can be found at the vehicle level under Diagrams by Number Diagrams By Number