Curiosii for ever!: Car repair manuals for everyone.

Automatic Transmission/Transaxle






HYDRAULIC SCHEMATICS




HYDRAULIC FLOW IN PARK/NEUTRAL



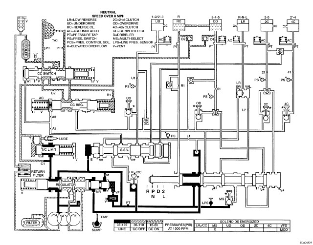
HYDRAULIC FLOW IN NEUTRAL OVER 8MPH



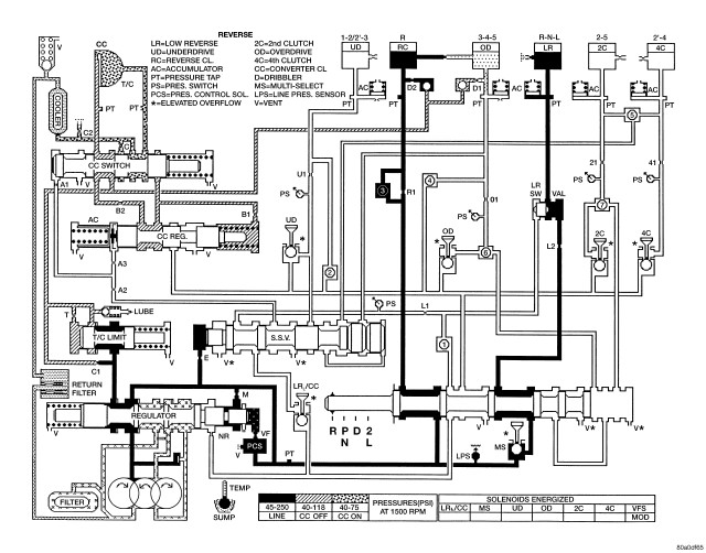
HYDRAULIC FLOW IN REVERSE



HYDRAULIC FLOW IN REVERSE BLOCK



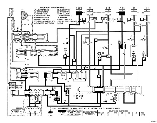
HYDRAULIC FLOW IN FIRST GEAR (FROM N OR OD)



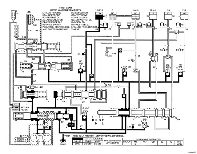
HYDRAULIC FLOW IN FIRST GEAR (AFTER LAUNCH FROM REST)



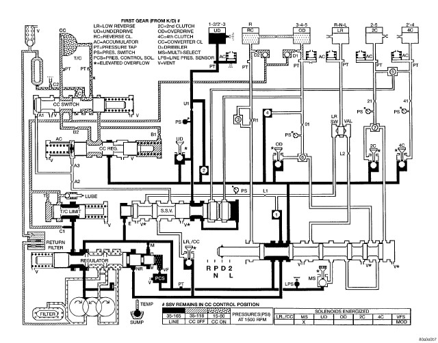
HYDRAULIC FLOW IN FIRST GEAR (FROM K/D)



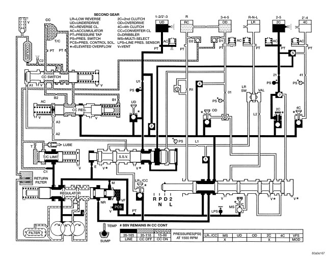
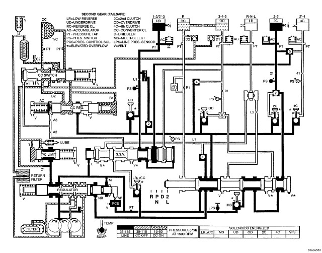
HYDRAULIC FLOW IN SECOND GEAR



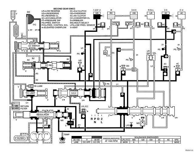
HYDRAULIC FLOW IN SECOND GEAR EMCC



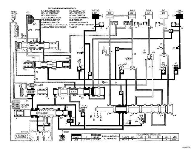
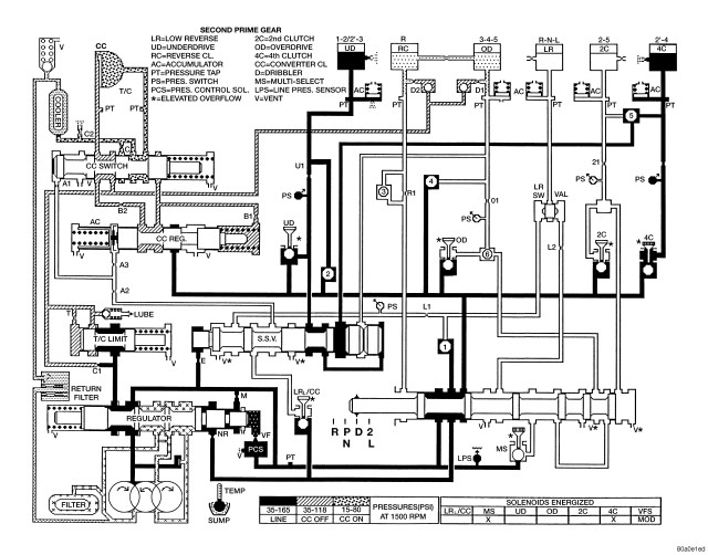
HYDRAULIC FLOW IN SECOND PRIME GEAR



HYDRAULIC FLOW IN SECOND PRIME GEAR EMCC



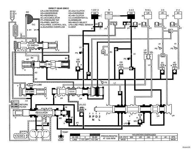
HYDRAULIC FLOW IN DIRECT GEAR



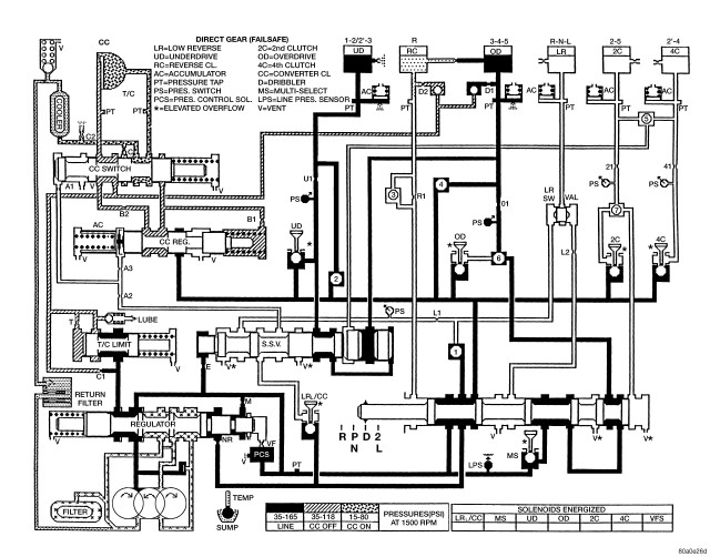
HYDRAULIC FLOW IN DIRECT GEAR (FAILSAFE)



HYDRAULIC FLOW IN DIRECT GEAR EMCC



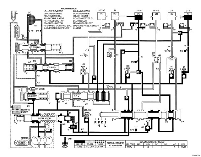
HYDRAULIC FLOW IN FOURTH



HYDRAULIC FLOW IN FOURTH EMCC



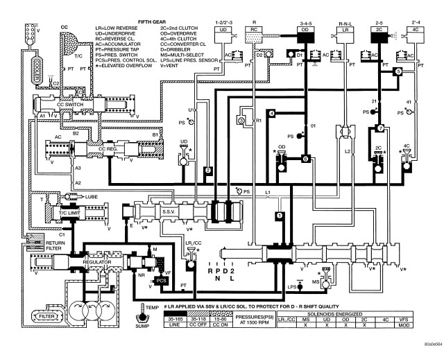
HYDRAULIC FLOW IN FIFTH



HYDRAULIC FLOW IN FIFTH EMCC



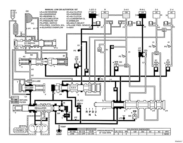
HYDRAULIC FLOW IN MANUAL LOW OR AUTOSTICK 1ST



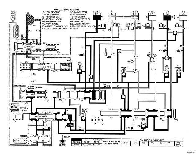
HYDRAULIC FLOW IN MANUAL SECOND



HYDRAULIC FLOW IN MANUAL SECOND (FAILSAFE)