Curiosii for ever!: Car repair manuals for everyone.

Automatic Transmission/Transaxle






SCHEMATICS AND DIAGRAMS




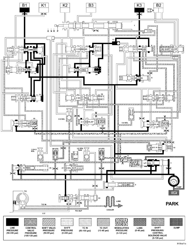
HYDRAULIC FLOW IN PARK



HYDRAULIC FLOW IN REVERSE - FAILSAFE



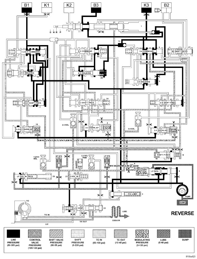
HYDRAULIC FLOW IN REVERSE



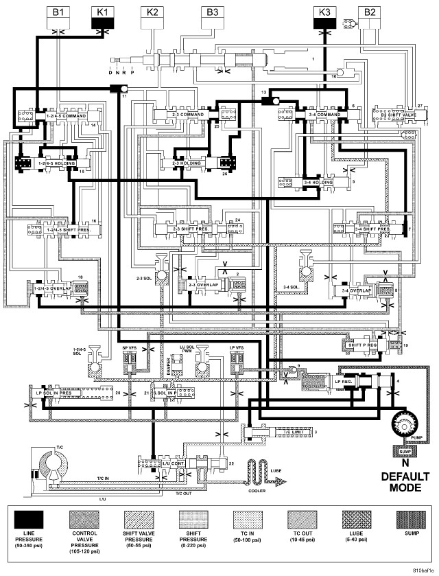
HYDRAULIC FLOW IN NEUTRAL - DEFAULT



HYDRAULIC FLOW IN NEUTRAL



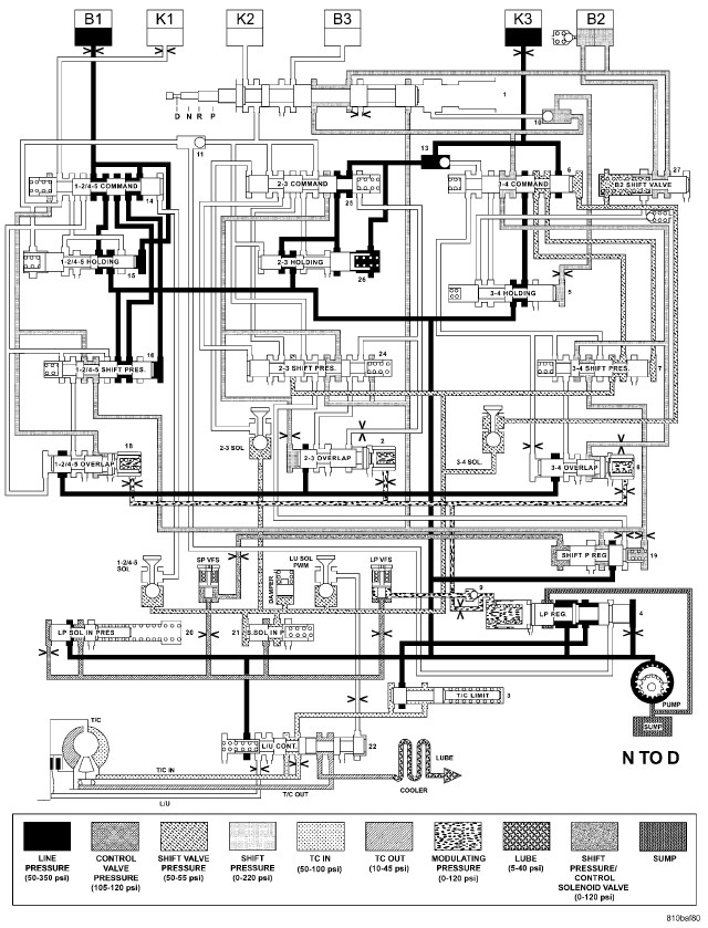
HYDRAULIC FLOW IN NEUTRAL TO DRIVE TRANSITION



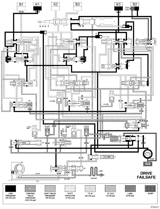
HYDRAULIC FLOW IN DRIVE - FAILSAFE



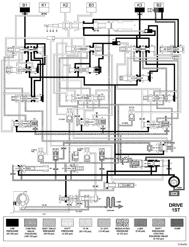
HYDRAULIC FLOW IN DRIVE - FIRST GEAR



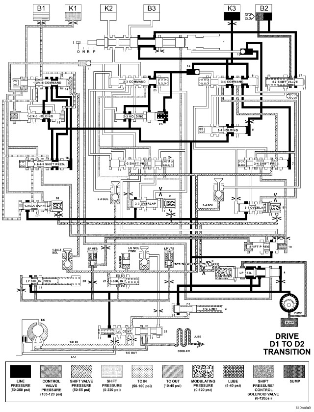
HYDRAULIC FLOW IN DRIVE - FIRST TO SECOND GEAR TRANSITION



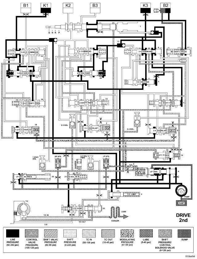
HYDRAULIC FLOW IN DRIVE - SECOND GEAR



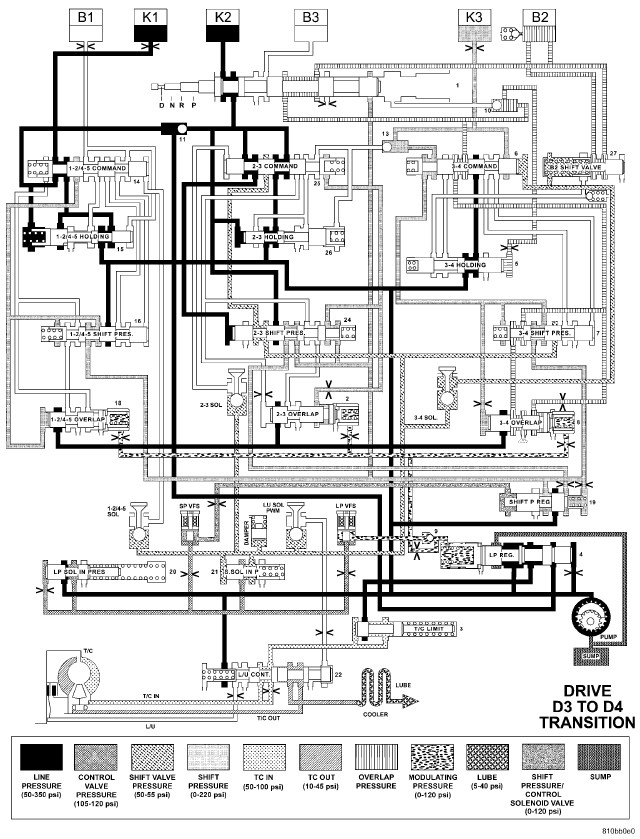
HYDRAULIC FLOW IN DRIVE - SECOND TO THIRD GEAR TRANSITION



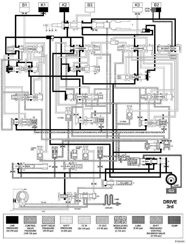
HYDRAULIC FLOW IN DRIVE - THIRD GEAR



HYDRAULIC FLOW IN DRIVE - THIRD TO FOURTH GEAR TRANSITION



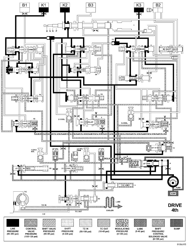
HYDRAULIC FLOW IN DRIVE - FOURTH GEAR



HYDRAULIC FLOW IN DRIVE - FOURTH TO FIFTH GEAR TRANSITION



HYDRAULIC FLOW IN DRIVE - FIFTH GEAR



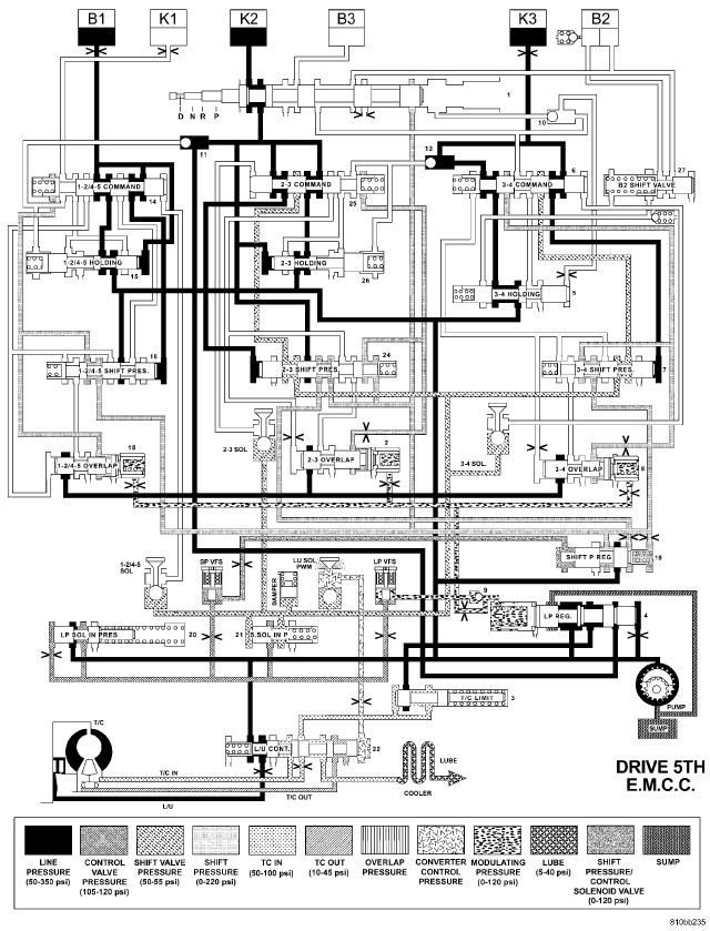
HYDRAULIC FLOW IN DRIVE - FIFTH GEAR - EMCC



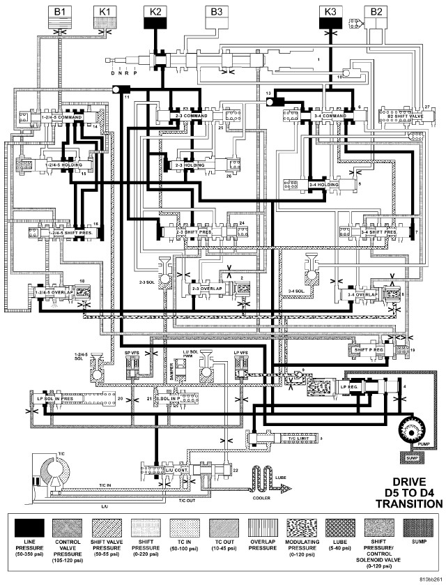
HYDRAULIC FLOW IN DRIVE - FIFTH TO FOURTH GEAR TRANSITION



HYDRAULIC FLOW IN DRIVE - FOURTH TO THIRD GEAR TRANSITION



HYDRAULIC FLOW IN DRIVE - THIRD TO SECOND GEAR TRANSITION



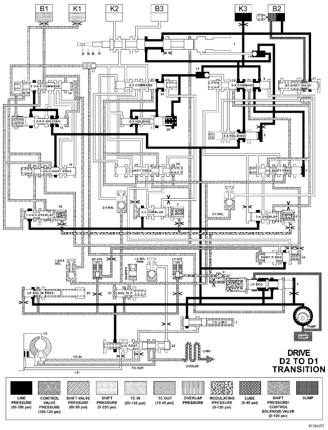
HYDRAULIC FLOW IN DRIVE - SECOND TO FIRST GEAR TRANSITION