Curiosii for ever!: Car repair manuals for everyone.

Removal







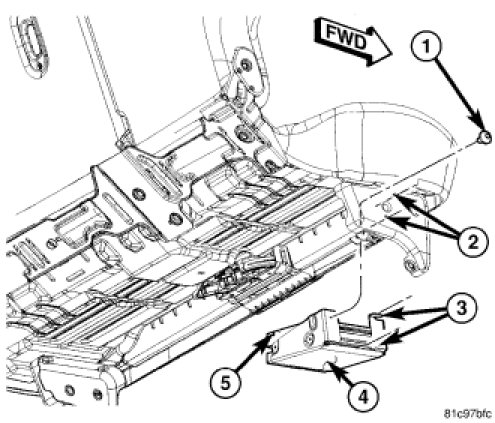
REMOVAL





1. Disconnect and isolate the battery negative cable.
2. Remove the rear seat cushion assembly, Seat Cushion - Removal.
3. Remove the fastener (1) from the inverter module mounting bracket of the (5).
4. Slide the module rearward to release the mounting tabs (3) from the slots in the seat frame (2).
5. Remove the inverter module (4).