Curiosii for ever!: Car repair manuals for everyone.

Installation







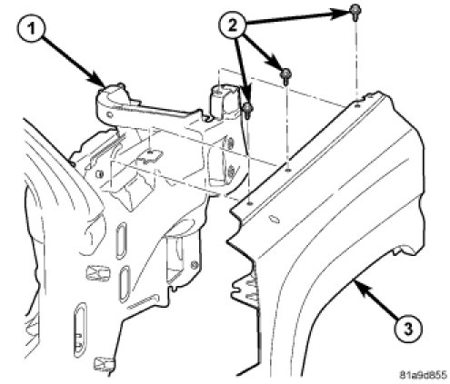
INSTALLATION

Compass





NOTE: Tighten the fender fasteners only after all fasteners are installed loosely and the fender is adjusted for gap and flush, .

1. Loosely install the two upper bolts (2).

Patriot





NOTE: Tighten the fender fasteners only after all fasteners are installed loosely and the fender is adjusted for gap and flush, .

1. Loosely install the three upper bolts (2).





2. Install the two inner nuts (2) loosely.




3. Install the two lower bolts (1) next to the door, loosely.




4. Loosely install the two inner bolts (1) at the rear of the wheel well and adjust the fender to the correct gap and flush dimensions, .
5. After correct fender gap and flush specifications are met, tighten all the fender fasteners to 14 Nm (10.5 ft. lbs.).




NOTE: Compass shown, Patriot similar.

6. Install the fender to fascia fasteners (5 and 6).
7. Install the radio antenna, if equipped, Antenna Body & Cable - Installation.
8. Install the wheelhouse splash shield, Front Wheelhouse Splash Shield - Installation.
9. Install the radiator closure panel, Installation.