Curiosii for ever!
: Car repair manuals for everyone.
Home
>>
Jeep Truck
>>
2008
>>
Commander 4WD V8-5.7L
>>
Repair and Diagnosis
>>
Powertrain Management
>>
Transmission Control Systems
>>
Relays and Modules - Transmission and Drivetrain
>>
Relays and Modules - A/T
>>
Control Module
>>
Description and Operation
>>
Transmission Control Module - Description
Transmission Control Module - Description
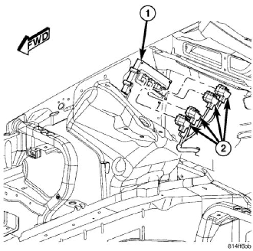
4.7L/5.7L VEHICLES
The Transmission Control Module (TCM) is a sub-module within the Powertrain Control Module (PCM) (1). The PCM is located on the right inner fender.