Curiosii for ever!: Car repair manuals for everyone.

Installation







INSTALLATION

CAUTION: Be certain to adjust the refrigerant oil level when servicing the A/C refrigerant system Refrigerant Oil Level. Failure to properly adjust the refrigerant oil level will prevent the A/C system from operating as designed and can cause serious A/C compressor damage.

CAUTION: The A/C receiver/drier must be replaced if an internal failure of the A/C compressor has occurred. Failure to replace the A/C receiver/drier can cause serious A/C compressor damage.

NOTE: When replacing multiple A/C system components, refer to the Refrigerant Oil Capacities chart to determine how much oil should be added to the refrigerant systemRefrigerant Oil Level.

NOTE: If only the A/C receiver/drier is being replaced, add 30 milliliters (1 fluid ounce) of refrigerant oil to the refrigerant system. Use only the refrigerant oil of the type recommended for the A/C compressor in the vehicle.

NOTE: Replacement of the refrigerant line O-ring seals and gaskets is required anytime a refrigerant line is opened. Failure to replace the rubber O-ring seals and metal gaskets could result in a refrigerant system leak.





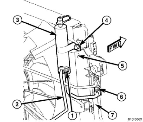
1. Position the A/C receiver/drier (3) into the engine compartment.
2. Remove the tape or plugs from the receiver/drier fitting and port and the port of the A/C condenser (7).
3. Lubricate a new dual-plane seal with clean refrigerant oil and install it onto the receiver/drier fitting. Use only the specified seal as it is made of a special material for the R-134a system. Use only refrigerant oil of the type recommended for the A/C compressor in the vehicle.
4. Connect the A/C receiver/drier to the right end of the A/C condenser.
5. Install the nut (6) that secures the A/C receiver/drier to the A/C condenser. Tighten the nut to 20 Nm (15 ft. lbs.).
6. Install the screw (4) that secures the A/C receiver/drier to the radiator and fan shroud (5). Tighten the screw to to 5 Nm (44 in. lbs.).
7. Lubricate a new dual-plane seal with clean refrigerant oil and install it onto the A/C liquid line (2) Use only the specified seal as it is made of a special material for the R-134a system. Use only refrigerant oil of the type recommended for the A/C compressor in the vehicle.
8. Install the nut (1) that secures the A/C liquid line to the A/C receiver/drier. Tighten the nut to 20 Nm (15 ft. lbs.).
9. Install the air cleaner housing and air intake tube .Air Cleaner Housing
10. Install the grille Grille - Installation.
11. Reconnect the negative battery cable.
12. Evacuate the refrigerant system Refrigerant System Evacuate.
13. If the A/C receiver/drier is being replaced, add 30 milliliters (1 fluid ounce) of refrigerant oil to the refrigerant system. When replacing multiple A/C system components, refer to the Refrigerant Oil Capacities chart to determine how much oil should be added to the refrigerant system Refrigerant Oil Level. Use only refrigerant oil of the type recommended for the A/C compressor in the vehicle.
14. Charge the refrigerant system Refrigerant System Charge.