Curiosii for ever!: Car repair manuals for everyone.

Windows

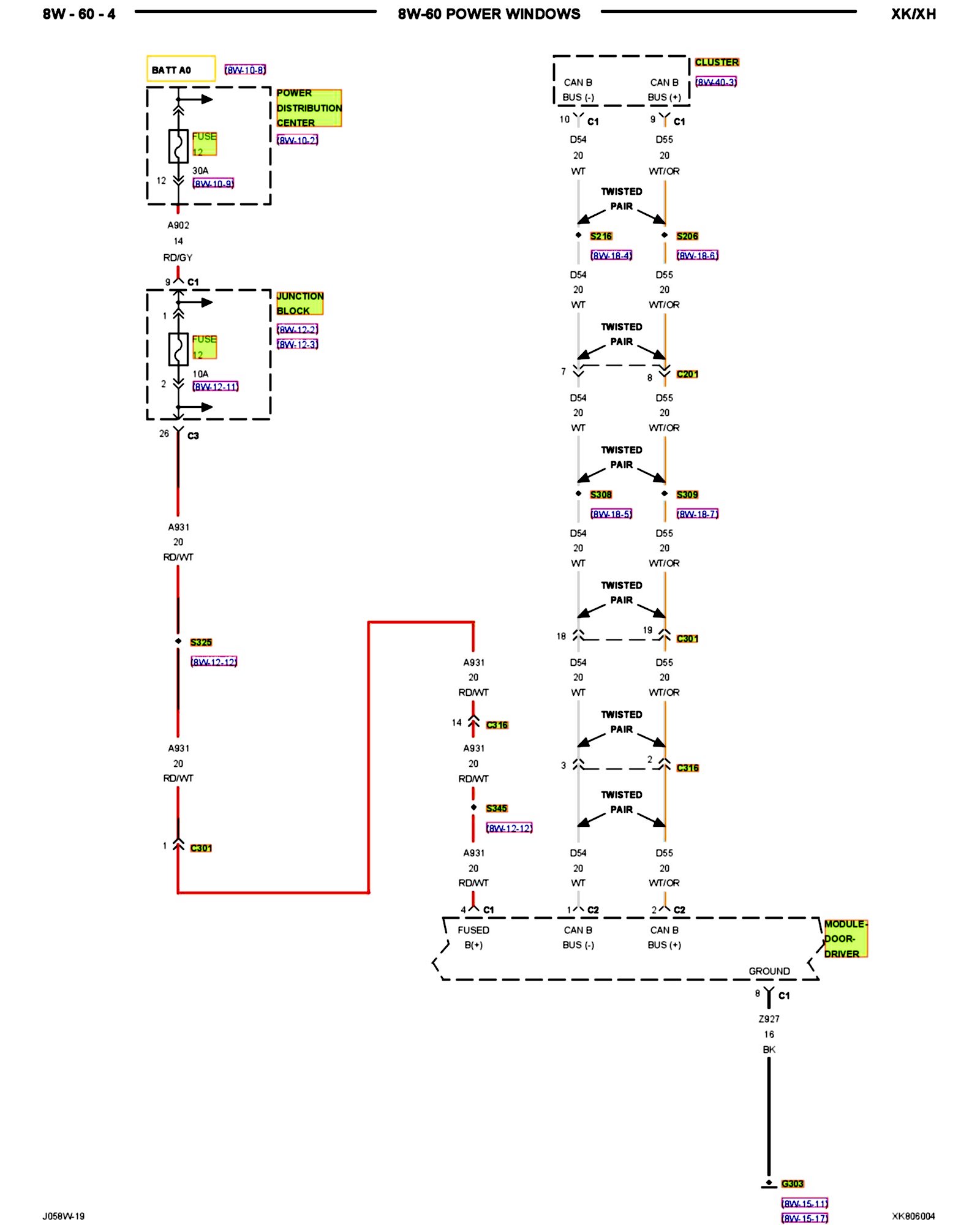
PLEASE NOTE: Some diagrams may appear to be missing because of gaps in the number sequences. These "gaps" are actually for diagrams that do not apply to the vehicle model selected.


8w-60-02:






8w-60-03:






8w-60-04:






8w-60-05:






8w-60-06:






8w-60-07:






Other Diagrams: Other diagrams referred to by number (i.e. 8W-70-2, etc.) within these diagrams can be found at the vehicle level under Diagrams by Number. Diagrams By Number