Curiosii for ever!: Car repair manuals for everyone.

Assembly







ASSEMBLY

NOTE: Apply trans jell or petroleum jelly to all slide portions, rolling contacts surfaces, thrust surfaces etc. to prevent burnout during initial operation. Lubricate O-rings and O-ring seals with MOPAR(R) ATF+4. Soak all friction disks in MOPAR(R) ATF+4 for at least two hours before assembly of clutch packs.

NOTE: Clean and inspect all components. Replace any components which show evidence of excessive wear or scoring.









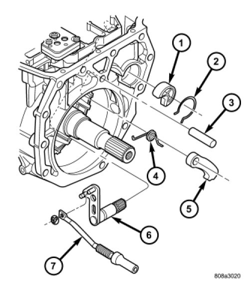
1. Install a new selector shaft seal (1) using Seal Installer 8253 (2).




2. Install the manual selector shaft and retaining screw. Tighten the manual selector shaft retaining screw to 28 Nm (250 in.lbs.).
3. Install the manual shift lever (1) onto the manual selector shaft. Tighten the retaining cross-bolt to 16 Nm (140 in.lbs.).




4. Install the park pawl (5), spring (4), and shaft (3).
5. Install the park rod (7) and e-clip.
6. Install the park rod guide (1) and snap-ring (2).




7. Install a new fill tube seal (2) using Seal Installer 8254 (1).




NOTE: Before final assembly of transmission centerline, the 2C/4C clutch components should be installed into position and measured as follows:

8. Install the 2C reaction plate (4) with the beveled edge down (rearward) into the transmission case.
9. Install the 2C clutch pack (2, 3) into the transmission case.
10. Install the flat 2C clutch snap-ring (1) into the transmission case.




11. Install the 4C retainer/bulkhead (2) into the transmission case. Make sure that the oil feed holes are pointing toward the valve body area.
12. Install the 4C retainer/bulkhead tapered snap-ring (1) into the transmission case. Make sure that the open ends of the snap-ring are located in the case opening toward the valve body area.
13. Using a feeler gauge through the opening in the rear of the transmission case, measure the 2C clutch pack clearance between the 2C reaction plate and the transmission case at four different points. The average of these measurements is the 2C clutch pack clearance. The correct clutch clearance is 0.455-1.335 mm (0.018-0.053 in.). The reaction plate is not selective. If the clutch pack clearance is not within specification, the reaction plate, all the friction discs, and steels must be replaced.
14. Remove the 4C retainer/bulkhead and all of the 2C clutch components from the transmission case.




15. Install the low/reverse clutch assembly (1). Make sure that the oil feed hole points toward the valve body area and that the bleed orifice is aligned with the notch in the rear of the transmission case.
16. Install the snap-ring (2) to hold the low/reverse clutch retainer into the transmission case. The snap-ring is tapered and must be installed with the tapered side forward. Once installed, verify that the snap-ring is fully seated in the snap-ring groove.
17. Air check the low/reverse clutch and verify correct overrunning clutch operation.




18. Install the number 12 thrust bearing (3) over the output shaft and against the rear planetary gear set. The flat side of the bearing goes toward the planetary gearset and the raised tabs on the inner race should face the rear of the transmission.
19. Install the reverse/input planetary assembly (1) through the low/reverse clutch assembly.




20. Install the park sprag gear (1) onto the output shaft.




21. Install the snap-ring (1) to hold the park sprag onto the output shaft.




22. Install the 2C reaction plate (4) with the beveled edge down (rearward) into the transmission case.
23. Install the 2C clutch pack (2, 3, 4) into the transmission case.



Install Reaction Annulus and Carrier





24. Install the number 8 thrust bearing (1) inside the reaction carrier with the outer race against the reaction planetary carrier (3).
25. Install the reaction planetary gear set and the number 9 thrust bearing (2), with the inner race against the reaction planetary carrier (3), into the transmission case.
26. Install the flat 2C clutch snap-ring into the transmission case.
27. Install the reaction sun gear (4) into the reaction planetary gear set. Make sure the small shoulder is facing the front of the transmission.
28. Install the number 7 thrust bearing (5) onto the reaction sun gear (4) with the inner race against the sun gear.




29. Install the output shaft selective thrust plate (2) onto the reaction annulus with the oil grooves facing the annulus gear and the lugs (1) and notches aligned as shown.



Install Reaction Annulus and Carrier





30. Install the number 6 thrust bearing (7) against the output shaft selective thrust plate (6) with the flat side against the thrust plate and the raised tabs on the inner race facing the front of the transmission.
31. Install the reaction annulus (8) into the reaction planetary gear set.




32. Install the 4C retainer/bulkhead (2) into the transmission case. Make sure that the oil feed holes are pointing toward the valve body area. Rotate the reaction annulus during the installation of the 4C retainer/bulkhead to ease installation.
33. Install the 4C retainer/bulkhead tapered snap-ring (1) into the transmission case with the taper toward the front of the case. Make sure that the open ends of the snap-ring are located in the case opening toward the valve body area.
34. Air check the 2C and 4C clutch operation.




35. Using Alignment Plate 8261 (1), Adapter 8266-17 from End-Play Tool Set 8266 (2) and Dial Indicator C-3339 (3), measure and record the output shaft end-play. The correct output shaft end-play is 0.22-0.55 mm (0.009-0.021 in.). Adjust as necessary. Install the chosen output shaft selective thrust plate and re-measure end-play to verify selection.

Output Shaft End Play Selectable Bearing Spacer Thickness
- 09 = 2.18 mm (0.086 in.)
- 10 = 2.33 mm (0.092 in.)
- 11 = 2.48 mm (0.098 in.)
- 12 = 2.63 mm (0.103 in.)
- 13 = 2.78 mm (0.109 in.)
- 14 = 2.69 mm (0.115 in.)
- 43 = 3.08 mm (0.121 in.)
- 16 = 3.23 mm (0.127 in.)
- 17 = 3.38 mm (0.133 in.)
- 18 = 3.53 mm (0.139 in.)
- 19 = 3.68 mm (0.145 in.)

36. Apply a bead of RTV silicone and install the extension/adapter housing onto the transmission case.
37. Install and torque the bolts to hold the extension/adapter housing onto the transmission case. The correct torque is 54 Nm (40 ft.lbs.).




38. Install the number 5 thrust bearing (1) and selective thrust plate (2) onto the 4C retainer/bulkhead. Be sure that the outer race of the bearing is against the thrust plate.
39. Install the input clutch assembly (3) into the transmission case. Make sure that the input clutch assembly is fully installed by performing a visual inspection through the input speed sensor hole. If the tone wheel teeth on the input clutch assembly are centered in the hole, the assembly is fully installed.
40. Install the number 1 thrust bearing (4) with the outer race up in the pocket of the input clutch assembly.




41. Install the oil pump (2) into the transmission case making certain the oil pump is flush with the transmission case.
42. Install the bolts (1) to hold the oil pump into the transmission case. Tighten the oil pump bolts to 28 Nm (250 in.lbs.).




NOTE: When measuring the input shaft end-play, two "stops" will be felt. When the input shaft is pushed inward and the dial indicator zeroed, the first "stop" felt when the input shaft is pulled outward is the movement of the input shaft in the input clutch housing hub. This value should not be included in the end-play measured value and therefore must be recorded and subtracted from the dial indicator reading. If NO input shaft end play is noted, disassemble the input clutch assembly and check for the #2, #3, or #4 thrust bearing fallen out of position or cracked. Replace any cracked thrust bearing and reassemble using trans jell or petroleum jelly to retain the thrust bearings.

43. Using Adapter 8266-1 from End-Play Tool Set 8266 (1) and Dial Indicator C-3339 (2), measure and record the input shaft end-play. The correct end-play is 0.46-0.89 mm (0.018-0.035 in.). Adjust as necessary. Install the chosen thrust plate on the number 5 thrust bearing and re-measure end-play to verify selection.

Input Shaft End Play Selectable Bearing Spacer Thickness
- 27 = 1.57 mm (0.062 in.)
- 28 = 1.71 mm (0.067 in.)
- 29 = 1.85 mm (0.073 in.)
- 30 = 1.99 mm (0.078 in.)
- 31 = 2.13 mm (0.084 in.)
- 32 = 2.27 mm (0.089 in.)
- 33 = 2.41 mm (0.095 in.)
- 34 = 2.55 mm (0.100 in.)
- 35 = 2.69 mm (0.106 in.)
- 36 = 2.83 mm (0.111 in.)
- 37 = 2.97 mm (0.117 in.)
- 38 = 3.11 mm (0.122 in.)
- 39 = 3.25 mm (0.128 in.)
- 40 = 3.39 mm (0.133 in.)
- 41 = 3.67 mm (0.144 in.)





NOTE: To avoid contamination and garter spring dislodgement, do not handle the front cover seal when installing the front cover into the transmission case.

44. Position the new front cover (1) onto transmission case.




45. Using a dead-blow mallet and the Front Cover installation tool 9955, install the front cover into the transmission case.
46. Install the snap ring into the transmission case.




47. Install the valve body. Verify that the pin on the manual lever has properly engaged the TRS selector plate. Tighten the valve body to transmission case bolts (1) to 12 Nm (105 in.lbs.).




CAUTION: The primary oil filter seal MUST be fully installed flush against the oil pump body. DO NOT install the seal onto the filter neck and attempt to install the filter and seal as an assembly. Damage to the transmission will result.

48. Install a new primary oil filter seal in the oil pump inlet bore. Seat the seal in the bore with the butt end of a hammer, or other suitable tool.
49. Install the primary oil filter (1) and the oil cooler return filter (2). Tighten the screw to hold the primary oil filter to the valve body to 4.5 Nm (40 in.lbs.). Using Filter Wrench 8321, tighten the cooler return oil filter to the transmission case to 9.5 Nm (84 in.lbs.).
50. Apply RTV silicone to the oil pan and install the transmission oil pan. Tighten the bolts to 12 Nm (105 in.lbs.).




51. Install the input (3), output (1), and line pressure sensors (2). Tighten the bolts to 12 Nm (105 in.lbs.).