Curiosii for ever!: Car repair manuals for everyone.

Engine Cranks But Does Not Start







*ENGINE CRANKS BUT DOES NOT START





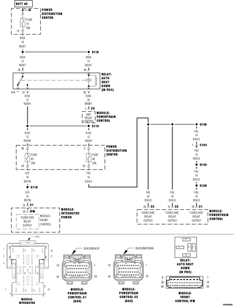
For a complete wiring diagram Consult Diagrams/Electrical.





Diagnostic Test

1. NO START PRE-TEST
NOTE: Verify no codes are set in the Occupant Restraint Controller. If codes are present, they may be the cause of a No Start condition.

NOTE: The following list of items must be checked before continuing with any no start tests.

The battery must be fully charged and in good condition. A low charged battery may produce invalid test results. If the battery is low, charge the battery and then attempt to start the vehicle by cranking the engine for 15 seconds, 3 consecutive times. This will allow any DTCs to set that may have been erased due to a dead battery.
Try to communicate with PCM using a scan tool. If communication between the scan tool and PCM is not allowed inspect fuses. If the PCM reports a No Response condition, refer to the proper tests.
Make sure the PCM Power and Ground circuits are OK.
Read the PCM DTCs with the scan tool. If any DTCs are present, they must be repaired before continuing with any other No Start diagnostic tests.
Make sure that the Bus is functional. Attempt to communicate with the Instrument Cluster and VTSS, If you are unable to establish communications Communications - Verbose Codes
The Sentry Key Immobilizer System must be operating properly. Check for proper communication with the scan tool and check for DTCs that may be stored in the Sentry Key Immobilizer Module (SKREEM). Repair the DTC(s) before continuing.
If no DTCs are found, using the scan tool, select Clear PCM (BATT Disconnect).
Crank the engine several times. Using the scan tool, View DTCs. If a DTC is present perform the DTC diagnostics before continuing.
Were any problems found?

Yes

- Repair as necessary.
- Perform the POWERTRAIN VERIFICATION TEST. Powertrain Verification Test

No

- Go To 2

2. OPEN FUSE
Check for any open fuses in the IPM or Junction Block that may be related to the No Start condition.
Are any of the fuses open?

Yes

- Replace the open fuse and check the related circuit(s) for a short to ground.
- Perform the POWERTRAIN VERIFICATION TEST. Powertrain Verification Test.

No

- Go To 3

3. CRANKSHAFT POSITION SENSOR
Turn the ignition off.
Disconnect the CKP Sensor.
Attempt to start the engine.
Does the engine start?

Yes

- Replace the Crankshaft Position Sensor. Crankshaft Position Sensor - Removal Crankshaft Position Sensor - Removal Crankshaft Position Sensor - Removal
- Perform the POWERTRAIN VERIFICATION TEST. Powertrain Verification Test

No

- Go To 4

4. CAMSHAFT POSITION SENSOR
Turn the ignition off.
Connect the CKP Sensor.
Disconnect the CMP Sensor.
Attempt to start the engine.
Does the engine start?

Yes

- Replace the Camshaft Position Sensor. Camshaft Position Sensor - Removal Camshaft Position Sensor - Removal Camshaft Position Sensor - Removal
- Perform the POWERTRAIN VERIFICATION TEST. Powertrain Verification Test

No

- Go To 5

5. FUSED B+ CIRCUIT CHECK




Turn the ignition off.
Disconnect the C1 PCM harness connector.

CAUTION: Do not probe the PCM harness connectors. Probing the PCM harness connectors will damage the PCM terminals resulting in poor terminal to pin connection. Install Miller Special Tool #8815 to perform diagnosis.

Using a 12-volt test light connected to ground probe the Fused B+ circuits.
Does the test light illuminate brightly?

Yes

- Go To 6

No

- Repair the open or short to ground in the Fused B+ circuit.
- Perform the POWERTRAIN VERIFICATION TEST. Powertrain Verification Test

6. (A142) ASD RELAY OUTPUT CIRCUIT OPEN
Turn the ignition off.
Remove the ASD relay from the IPM.
Disconnect the C3 PCM harness connector.
Verify the ASD Relay is getting voltage on the Fused B+ circuits before continuing.

CAUTION: Do not probe the PCM harness connectors. Probing the PCM harness connectors will damage the PCM terminals resulting in poor terminal to pin connection. Install Miller Special Tool #8815 to perform diagnosis.

Measure the resistance of the ASD Relay Output circuit from the ASD Relay connector to the appropriate terminals of special tool #8815, Ignition coil, and the fuel injectors.
Is the resistance below 5.0 ohms?

Yes

- Go To7

No

- Repair the open in the ASD Relay Output circuit.
- Perform the POWERTRAIN VERIFICATION TEST. Powertrain Verification Test.

7. FUEL PUMP DELIVERY
Verify that the Fuel tank is not empty before continuing.
Follow the diagnostics for Checking the Fuel Delivery System in the Driveability section.
Was the No Start condition solved after following the Checking the Fuel Delivery System diagnostic procedure?

Yes

- Test Complete.

No

- Go To 8

8. ENGINE MECHANICAL
Check for any of the following conditions/mechanical problems.
ENGINE COMPRESSION - must be within specifications
ENGINE EXHAUST SYSTEM - must be free of any restrictions or leaks.
ENGINE VALVE TIMING - must be within specifications, check for broken timing components
Are there any engine mechanical problems?

Yes

- Repair as necessary.
- Perform the POWERTRAIN VERIFICATION TEST. Powertrain Verification Test

No

- Go To 9

9. PCM
NOTE: Before continuing, check the PCM harness connector terminals for corrosion, damage, or terminal push out. Repair as necessary.

Using the schematics as a guide, inspect the wire harness and connectors. Pay particular attention to all Power and Ground circuits.
Were there any problems found?

Yes

- Repair as necessary.
- Perform the POWERTRAIN VERIFICATION TEST. Powertrain Verification Test

No

- Replace and program the Powertrain Control Module.
- Perform the POWERTRAIN VERIFICATION TEST. Powertrain Verification Test