Curiosii for ever!: Car repair manuals for everyone.

Keyless Entry

PLEASE NOTE: Some diagrams may appear to be missing because of gaps in the number sequences. These "gaps" are actually for diagrams that do not apply to the vehicle model selected.


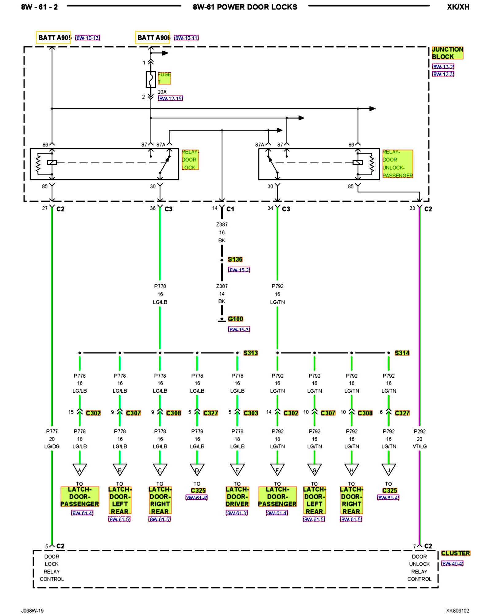
8w-61-02:






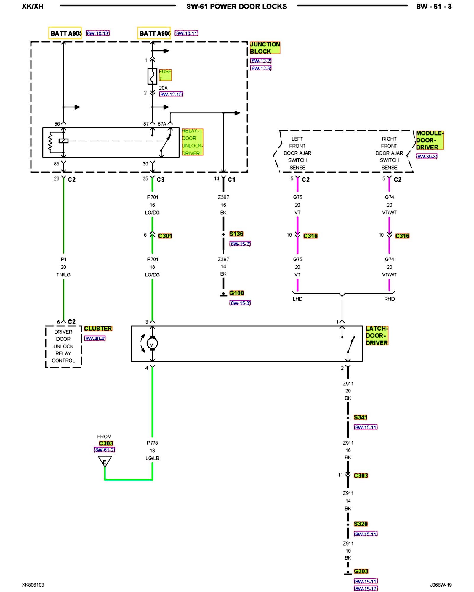
8w-61-03:






8w-61-04:






8w-61-05:






8w-61-06:






8w-61-07:






8w-61-08:






8w-61-09:






8w-61-10:






Other Diagrams: Other diagrams referred to by number (i.e. 8W-70-2, etc.) within these diagrams can be found at the vehicle level under Diagrams by Number. Diagrams By Number