Curiosii for ever!: Car repair manuals for everyone.

Starting System: Testing and Inspection






STARTING SYSTEM

The battery, starting, and charging systems operate in conjunction with one another, and must be tested as a complete system. For correct starting/charging system operation, all of the components involved in these three systems must perform within specifications.





INSPECTION

For complete starter wiring circuit diagrams, refer to Wiring Diagrams. Before removing any unit from starting system for repair or diagnosis, perform the following inspections:

WARNING: On vehicles equipped with airbags, refer to passive restraint systems, before attempting any steering wheel, steering column, or instrument panel component diagnosis or service. Failure to take the proper precautions could result in accidental airbag deployment and possible personal injury.

- Battery - Visually inspect battery for indications of physical damage and loose or corroded cable connections. Determine state-of-charge and cranking capacity of battery. Charge or replace battery if required.

NOTE: If equipped with diesel engine, a dual battery system may be used, and both batteries must be inspected.

- Ignition Switch - Visually inspect ignition switch for indications of physical damage and loose or corroded wire harness connections.
- Clutch Pedal Position Switch - If equipped with manual transmission, visually inspect clutch pedal position switch for indications of physical damage and loose or corroded wire harness connections.
- Park/Neutral Position Switch - If equipped with automatic transmission, visually inspect park/neutral position switch for indications of physical damage and loose or corroded wire harness connections.
- Starter Relay - The starter relay is located within the TIPM (Totally Integrated Power Module). Refer to "Testing and Inspection.
- Starter Motor - Visually inspect starter motor for indications of physical damage and loose or corroded wire harness connections.
- Starter Solenoid - Visually inspect starter solenoid for indications of physical damage and loose or corroded wire harness connections.
- Wiring - Visually inspect wire harnesses for damage. Repair or replace any faulty wiring, as required.

TESTING

COLD CRANKING TEST

NOTE: For complete starter wiring circuit diagrams, refer to Wiring Diagrams. The battery must be fully-charged and load-tested before proceeding.





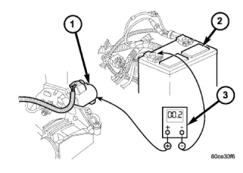
1. Connect volt-ampere tester (1) and (2) to battery terminals. See instructions provided by manufacturer of volt-ampere tester being used.

NOTE: Certain diesel equipped models use dual batteries. If equipped with dual battery system, tester should be connected to battery on left side of vehicle only. Also, tester current reading must be taken from positive battery cable lead that connects to starter motor.

2. Fully engage parking brake.

3. If equipped with manual transmission, place gearshift selector lever in Neutral position and block clutch pedal in fully depressed position. If equipped with automatic transmission, place gearshift selector lever in Park position.

4. Verify that all lamps and accessories are turned off.

5. To prevent a gasoline engine from starting, remove either the ignition run fuse, or the fuel pump control fuse. To prevent a diesel engine from starting, disconnect the electrical connectors at both the camshaft and crankshaft position sensors.

WARNING: Attempt to start engine a few times before proceeding with following step.

NOTE: A cold engine will increase starter current (amperage) draw reading, and reduce battery voltage reading.

6. Rotate and hold ignition switch in Start position. Note cranking voltage and current (amperage) draw readings shown on volt-ampere tester.
a. If voltage reads below 9.6 volts, refer to Starter Motor in Diagnosis and Testing. If starter motor is OK, refer to Engine Diagnosis, Engine for further testing of engine. If starter motor is not OK, replace faulty starter motor.
b. If voltage reads above 9.6 volts and current (amperage) draw reads below specifications, refer to Feed Circuit Test.
c. If voltage reads 12.5 volts or greater and starter motor does not turn, refer to Control Circuit Testing.
d. If voltage reads 12.5 volts or greater and starter motor turns very slowly, refer to Feed Circuit Test.

FEED CIRCUIT TEST

The starter feed circuit test (voltage drop method) will determine if there is excessive resistance in high-amperage feed circuit. For complete starter wiring circuit diagrams, refer to Wiring Diagrams.

When performing these tests, it is important to remember that voltage drop is giving an indication of resistance between two points at which voltmeter probes are attached.

Example: When testing resistance of positive battery cable, touch voltmeter leads to positive battery cable clamp and cable connector at starter solenoid. If you probe positive battery terminal post and cable connector at starter solenoid, you are reading combined voltage drop in positive battery cable clamp-to-terminal post connection and positive battery cable.

The following operation will require a voltmeter accurate to 1/10 (0.10) volt. Before performing tests, be certain that following procedures are accomplished:

- Battery is fully-charged and load-tested.
- Fully engage parking brake.
- If equipped with manual transmission, place gearshift selector lever in Neutral position and block clutch pedal in fully depressed position. If equipped with automatic transmission, place gearshift selector lever in Park position.
- Verify that all lamps and accessories are turned off.
- To prevent a gasoline engine from starting, remove Automatic ShutDown (ASD) relay. To prevent a diesel engine from starting, remove Fuel Pump Relay. These relays are located in Power Distribution Center (PDC). Refer to label on PDC cover for relay location.





7. Connect positive lead of voltmeter (1) to negative battery cable terminal post. Connect negative lead of voltmeter to negative battery cable clamp. Rotate and hold ignition switch in Start position. Observe voltmeter. If voltage is detected, correct poor contact between cable clamp and terminal post.

NOTE: Certain diesel equipped models use dual batteries. If equipped with dual battery system, procedure must be performed twice, once for each battery.





8. Connect positive lead of voltmeter to positive battery terminal post. Connect negative lead of voltmeter to battery positive cable clamp. Rotate and hold ignition switch in Start position. Observe voltmeter. If voltage is detected, correct poor contact between cable clamp and terminal post.

NOTE: Certain diesel equipped models use dual batteries.
If equipped with dual battery system, this procedure must be performed twice, once for each battery.





9. Connect voltmeter to measure between battery positive terminal post and starter solenoid battery terminal stud. Rotate and hold ignition switch in Start position. Observe voltmeter. If reading is above 0.2 volt, clean and tighten battery cable connection at solenoid. Repeat test. If reading is still above 0.2 volt, replace faulty positive battery cable.

NOTE: Certain diesel equipped models use dual batteries. If equipped with dual battery system, this procedure must be performed on driver side battery only.





10. Connect voltmeter to measure between negative battery terminal post and a good clean ground on engine block. Rotate and hold ignition switch in Start position. Observe voltmeter. If reading is above 0.2 volt, clean and tighten negative battery cable attachment on engine block. Repeat test. If reading is still above 0.2 volt, replace faulty negative battery cable.

NOTE: Certain diesel equipped models use dual batteries. If equipped with dual battery system, this procedure must be performed twice, once for each battery.





11. Connect positive lead of voltmeter to starter housing. Connect negative lead of voltmeter to negative battery terminal post. Rotate and hold ignition switch in Start position. Observe voltmeter. If reading is above 0.2 volt, correct poor starter to engine block ground contact.

NOTE: Certain diesel equipped models use dual batteries. If equipped with dual battery system, this procedure must be performed on driver side battery only.

12. If equipped with dual battery system (certain diesel equipped models), connect positive lead of voltmeter to positive battery cable clamp on battery located on left side of vehicle. Connect negative lead of voltmeter to positive battery terminal post on battery located on right side of vehicle. Rotate and hold ignition switch in Start position. Observe voltmeter. If reading is above 0.2 volt, clean and tighten battery cables at both batteries. Repeat test. If reading is still above 0.2 volt, replace faulty positive battery cable.

If resistance tests detect no feed circuit problems, refer to Starter Motor in the Diagnosis and Testing.

CONTROL CIRCUIT TESTING

The starter control circuit components should be tested in the order in which they are listed, as follows:

- Starter Relay - Refer to Starter Relay The starter relay is located within the TIPM (Totally Integrated Power Module). Refer to "no crank condition" in - Engine - Diagnosis.
- Starter Solenoid - Refer to Starter Motor Diagnosis and Testing.
- Ignition Switch - Refer to Ignition Switch and Key Lock Cylinder
- Clutch Pedal Position Switch - If equipped with manual transmission, refer to Clutch Pedal Position Switch in 6, Clutch.
- Park/Neutral Position Switch - If equipped with automatic transmission, refer to Park/Neutral Position Switch in 21, Transmission.
- Wire harnesses and connections - Refer to Wiring Diagrams.